Curiosii for ever!
: Car repair manuals for everyone.
Home
>>
Subaru
>>
1997
>>
Legacy L Sedan AWD F4-2.2L SOHC
>>
Repair and Diagnosis
>>
Diagrams
>>
Exploded Views
>>
Manual Transmission/Transaxle
>>
System Diagram
>>
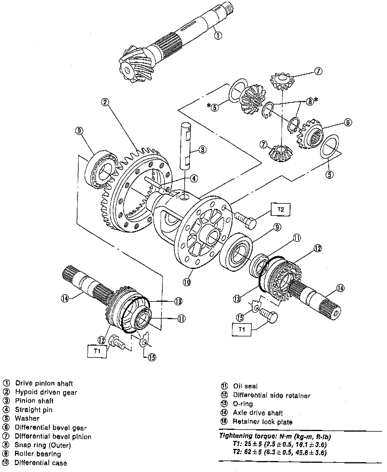
Front Differential
Front Differential