Curiosii for ever!
: Car repair manuals for everyone.
Home
>>
Subaru
>>
1997
>>
Legacy L Sedan AWD F4-2.2L SOHC
>>
Repair and Diagnosis
>>
Diagrams
>>
Electrical Diagrams
>>
Powertrain Management
>>
Engine Control Module
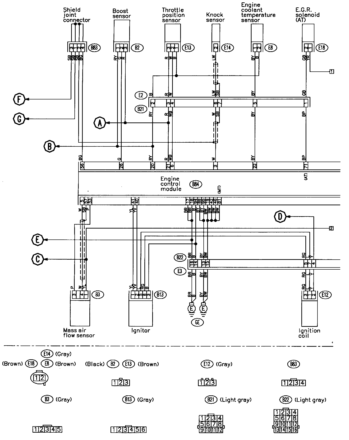
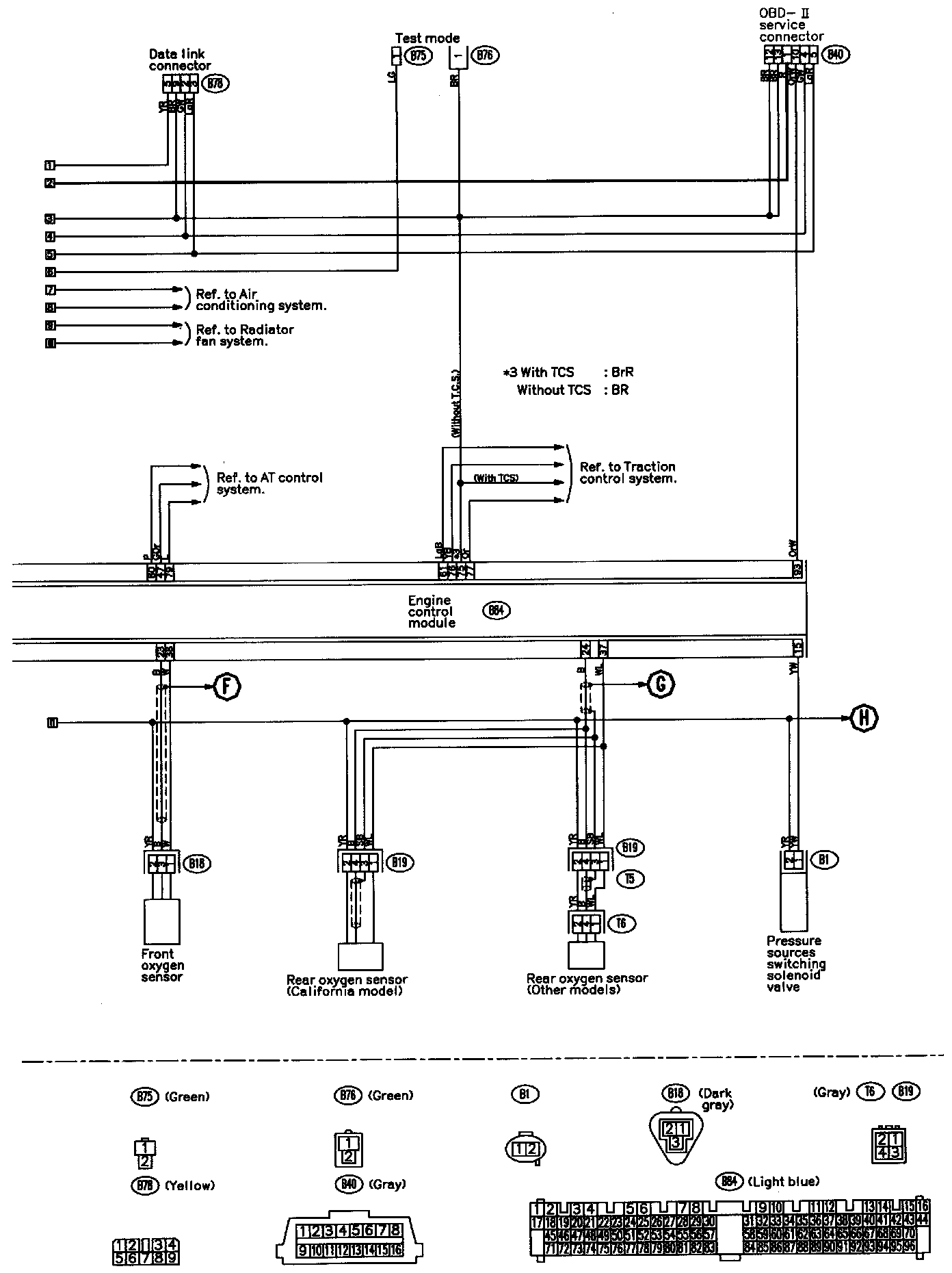
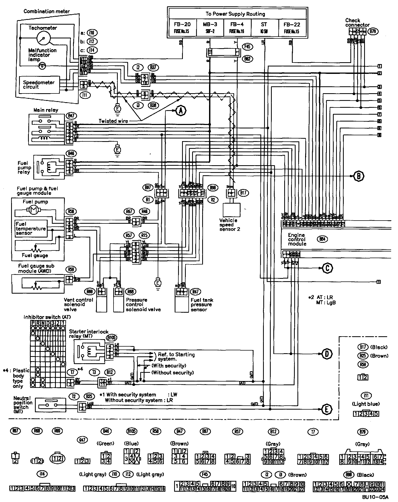
Engine Control Module
Part 1 Of 4:
Part 2 Of 4:
Part 3 Of 4:
Part 4 Of 4: