Curiosii for ever!
: Car repair manuals for everyone.
Home
>>
Subaru
>>
1997
>>
Impreza L Sedan F4-2.2L SOHC
>>
Repair and Diagnosis
>>
Powertrain Management
>>
Ignition System
>>
Testing and Inspection
>>
Symptom Related Diagnostic Procedures
>>
Diagnostics For Engine Starting Failure
>>
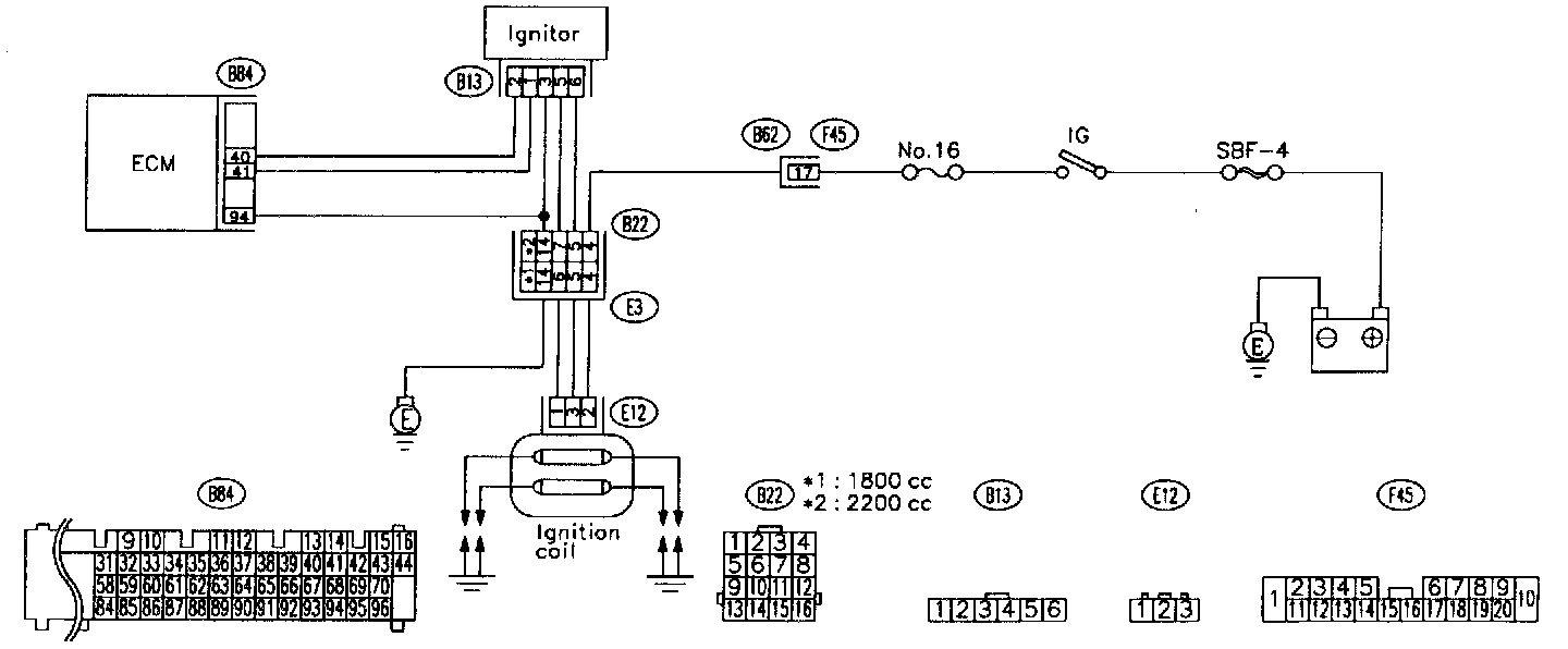
Ignition Control System
Ignition Control System
IGNITION CONTROL SYSTEM
WIRING DIAGRAM
CAUTION:
After repair or replacement of faulty parts, conduct CLEAR MEMORY and INSPECTION MODES.