Curiosii for ever!
: Car repair manuals for everyone.
Home
>>
Subaru
>>
1997
>>
Impreza L Sedan F4-2.2L SOHC
>>
Repair and Diagnosis
>>
Diagrams
>>
Exploded Views
>>
Heating and Air Conditioning
>>
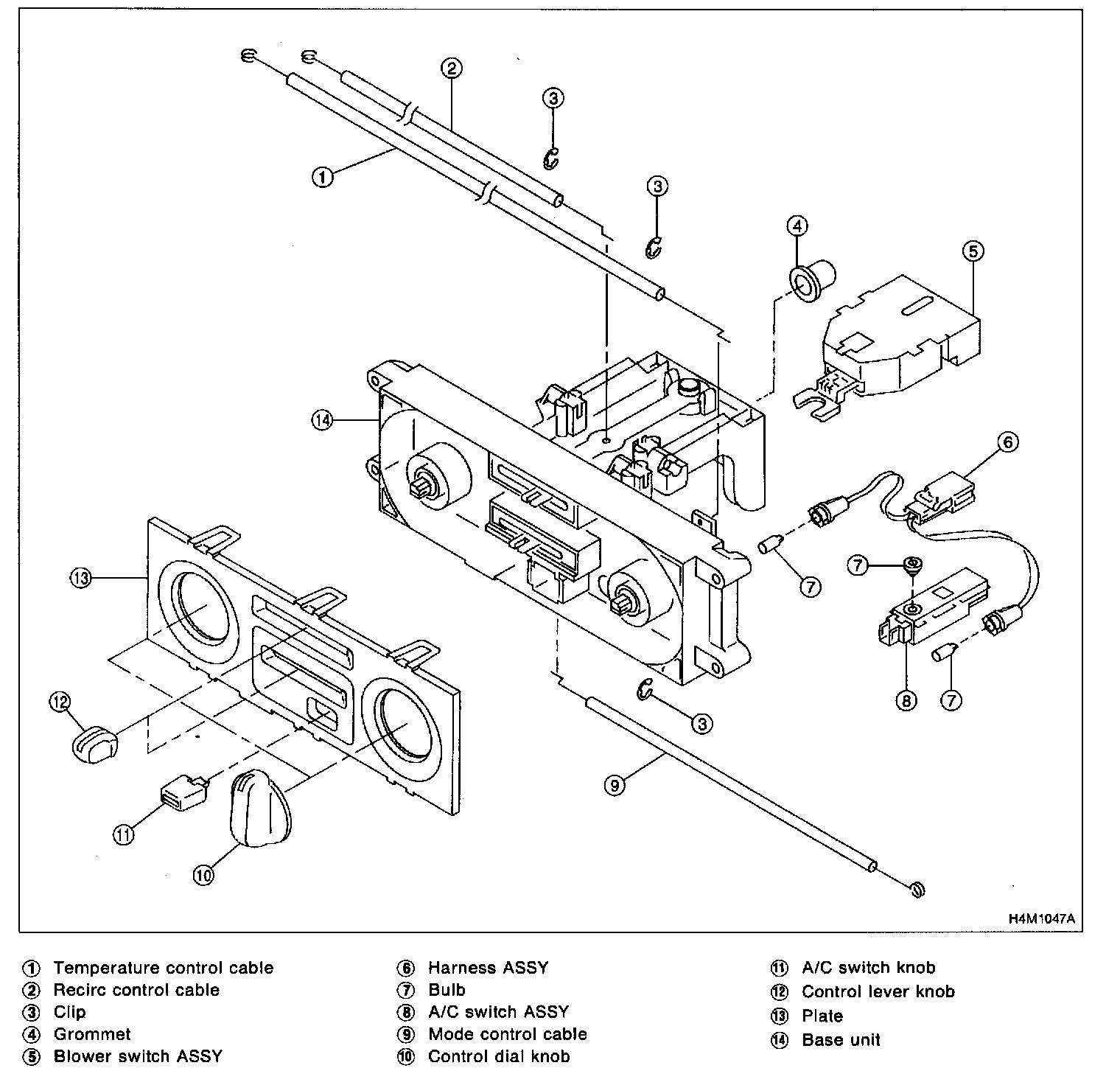
Control Assembly, HVAC
Control Assembly, HVAC
Control Unit: