Curiosii for ever!
: Car repair manuals for everyone.
Home
>>
Subaru
>>
1996
>>
SVX FWD L6-3.3L DOHC
>>
Repair and Diagnosis
>>
Powertrain Management
>>
Transmission Control Systems
>>
Diagrams
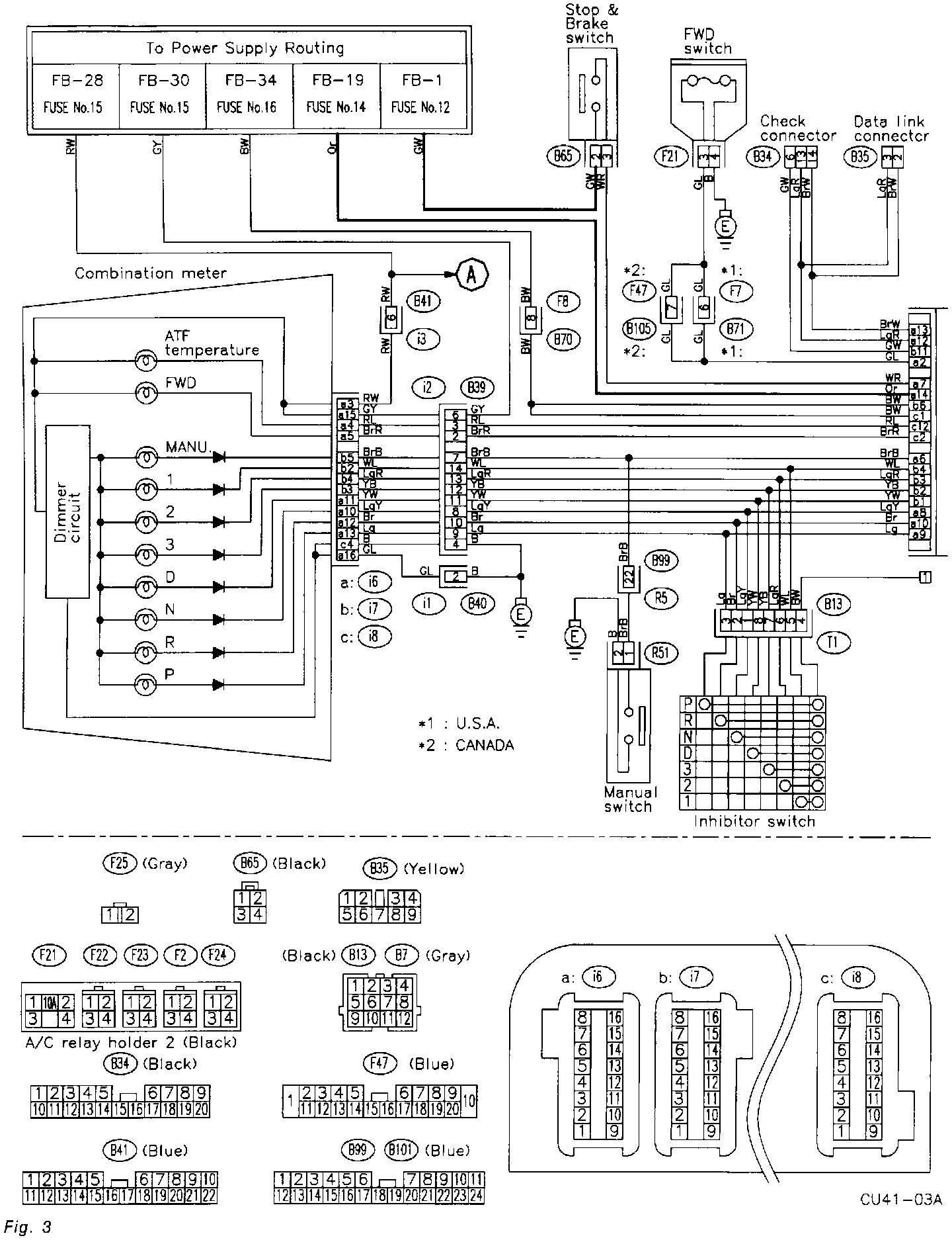
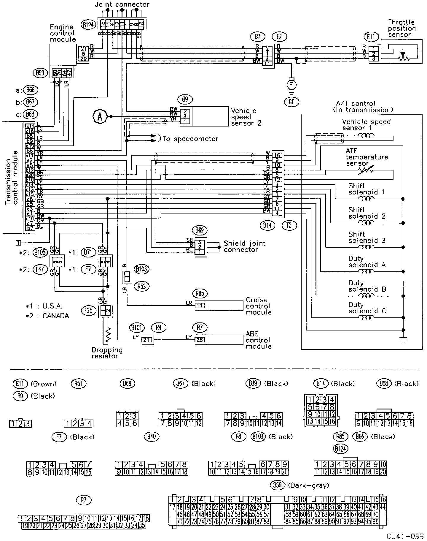
Transmission Control Systems: Diagrams