Curiosii for ever!
: Car repair manuals for everyone.
Home
>>
Subaru
>>
1996
>>
SVX AWD L6-3.3L DOHC
>>
Repair and Diagnosis
>>
Cruise Control
>>
Cruise Control Servo Cable
>>
Adjustments
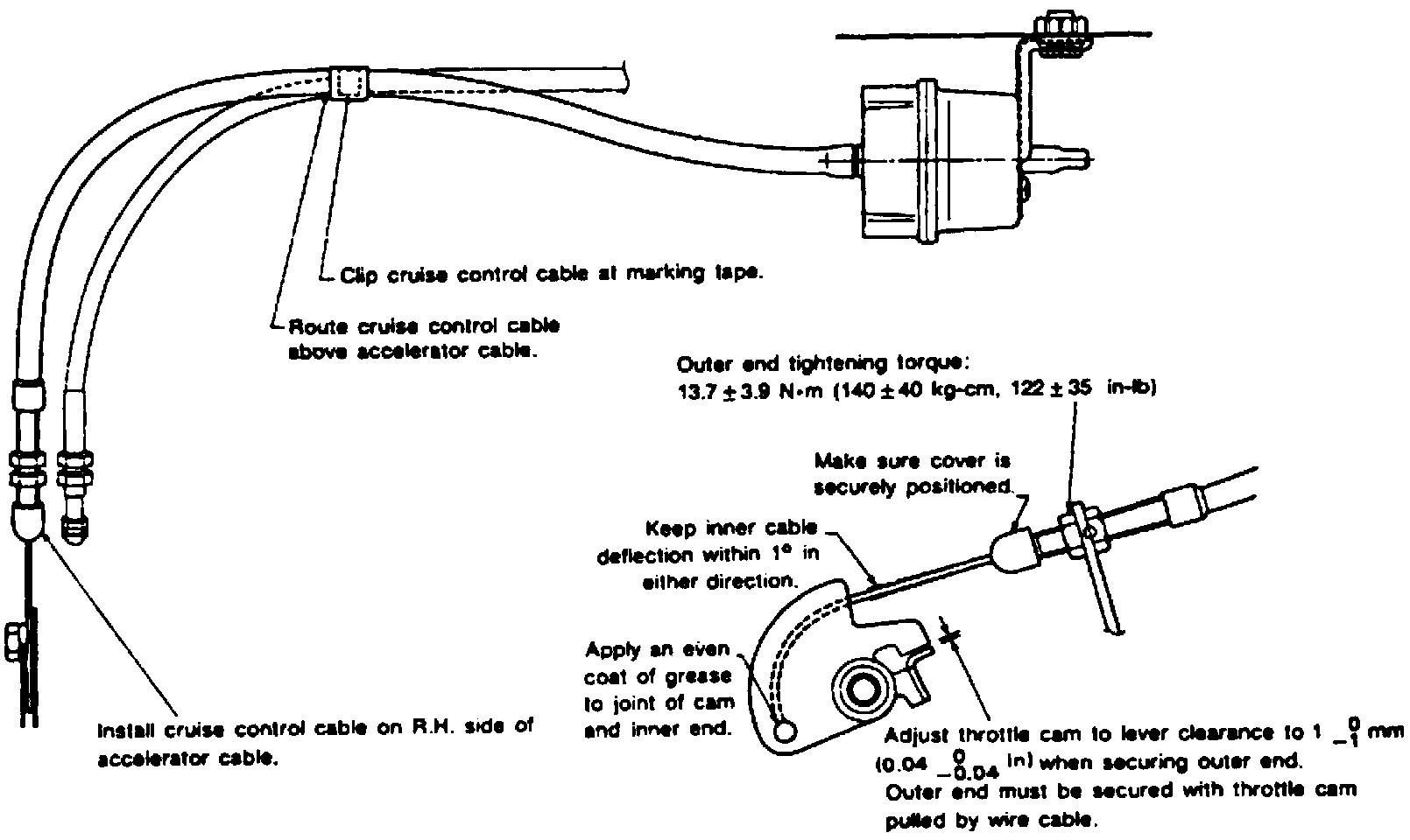
Cruise Control Servo Cable: Adjustments
Fig. 10 Control Cable Adjustment:
Refer to
Fig. 10
, for control cable adjustment.