Curiosii for ever!
: Car repair manuals for everyone.
Home
>>
Subaru
>>
1996
>>
Outback [Legacy] AWD F4-2.5L DOHC
>>
Repair and Diagnosis
>>
Powertrain Management
>>
Ignition System
>>
Testing and Inspection
>>
Ignition Control System Inspection
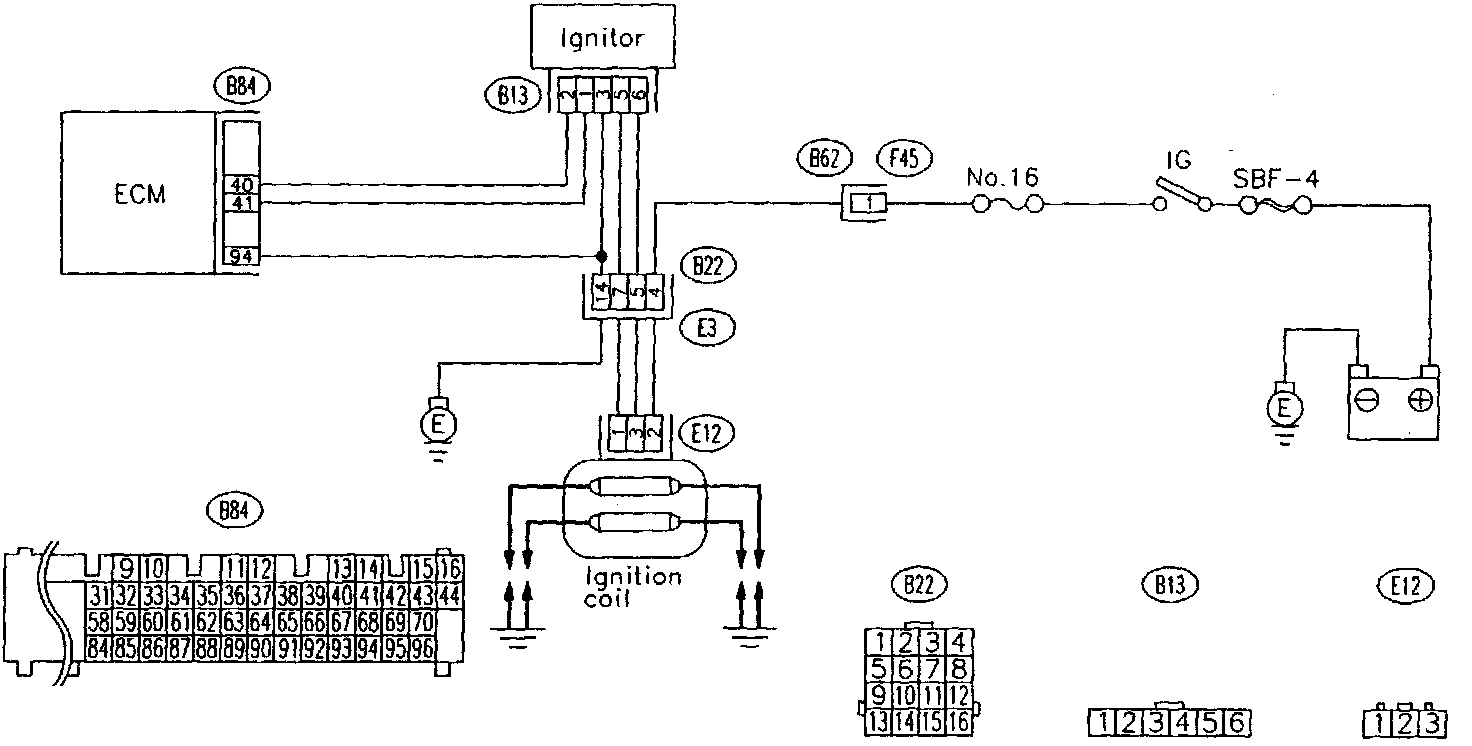
Ignition Control System Inspection
WIRING DIAGRAM
PROCEDURE
CAUTION:
After repair or replacement of faulty parts, conduct CLEAR MEMORY and INSPECTION MODES.