Curiosii for ever!
: Car repair manuals for everyone.
Home
>>
Subaru
>>
1996
>>
Outback [Legacy] AWD F4-2.2L SOHC
>>
Repair and Diagnosis
>>
Diagrams
>>
Exploded Views
>>
Cooling System
>>
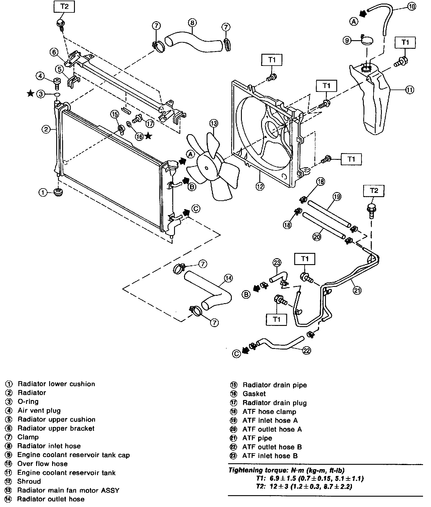
Radiator
Radiator