Curiosii for ever!: Car repair manuals for everyone.

Mode Door Control

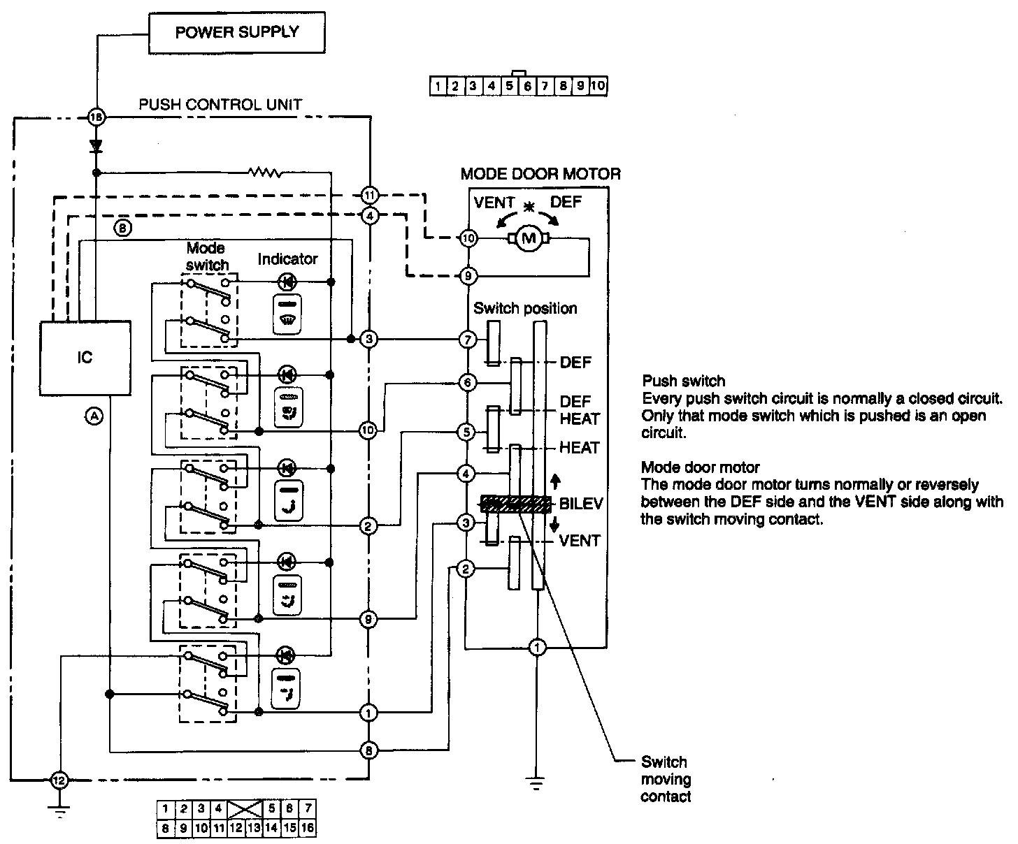
Mode Door Control
The mode door motor is located on the left side of the heater unit.





It opens and closes the vent, heater and defroster doors through side links.

Operation
1) When motor is stopped:
Both the mode switch and the position switch in mode door motor move together Current flows from the position switch in the mode door motor to body ground through IC circuits A and B which switch off the mode door motor

2) When motor is operating:
Current flows to mode door motor from IC circuits A or B whichever corresponds with the pressed mode switch.
While circuit A becomes minus circuit, 12 volts exists at mode door motor terminal (10) and terminal (9) of mode door motor becomes body ground in circuit B.
As a result, the motor and switch moving contact move together forward DEF position.
While circuit B becomes minus circuit, 12 bolts exists at terminal (9) and terminal (10) of mode door motor becomes body ground in circuit A.
As a result, the motor and switch moving contact move together forward VENT position.

3) After the switch moving contact teaches DEF or VENT position, a short circuit between circuits A and B is completed.
Then the motor operation stops.