Curiosii for ever!
: Car repair manuals for everyone.
Home
>>
Subaru
>>
1996
>>
Legacy Sedan 2WD F4-2.2L SOHC
>>
Repair and Diagnosis
>>
Powertrain Management
>>
Computers and Control Systems
>>
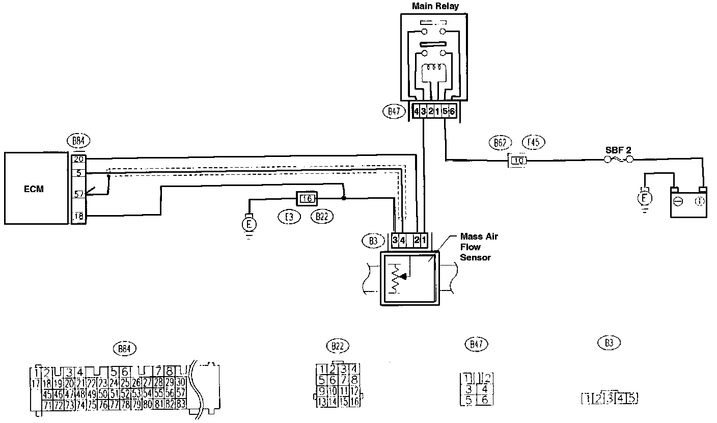
Air Flow Meter/Sensor
>>
Diagrams
>>
Electrical Diagrams
Electrical Diagrams