Curiosii for ever!: Car repair manuals for everyone.

How to Use Wiring Diagrams

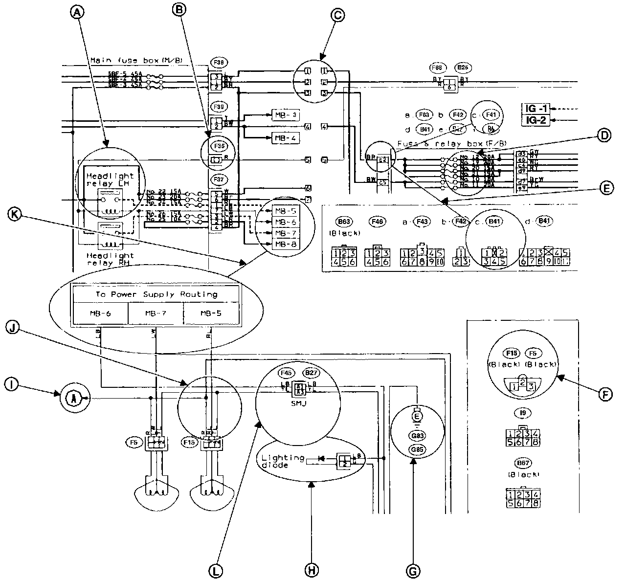
How To Use Wiring Diagram:




A: Relay
A symbol used to indicate a relay.

B: Connector-1
The sketch of the connector indicates the one-pole types.

C: Wiring Connection
Some wiring diagrams are indicated in foldouts for convenience. Wiring destinations are indicated where necessary by corresponding symbols

D: Fuse No. & Rating
The "FUSE No. & RATING" corresponds that used in the fuse box (main fuse box, and joint box).

E: Connector-2
1. Each connector is indicated by a symbol.
2. Each terminal number is indicated in the corresponding wiring diagram in an abbreviated form.
3. For example, terminal number "C2" corresponds to No. 2 terminal of connector (C:F41) shown in the connector sketch.

F: Connector Sketch
1. Each connector sketch clearly identifies the shape and color of a connector as well as terminal locations. Non-colored connectors are indicated in natural color.
2. When more than two types of connector number are indicated in a connector sketch, it means that the same type connectors are used.

G: Ground
Each grounding point can be located easily by referring to the corresponding wiring harness.

H: Diode
A symbol is used to indicate a diode.

I: Wire Tracing On Extended Wiring Diagrams
For a wiring diagram extending over at least two pages, a symbol (consisting of the same characters with arrows), as shown below, facilitates wire tracing from one image to the next.

A<-->A, B<-->B

J: Symbols Of Wire Connection And Crossing
Symbol Refers to wires which are connected and branched at the "dot" point.
Symbol Refers to wires which are crossed but not connected.

K: Power Supply Routing
A symbol is used to indicate the power supply in each wiring diagram.
"MB-5", "MB-6", etc., which are used as power supply symbols throughout the text, correspond with those shown in the POWER SUPPLY ROUTING in the wiring diagram.
Accordingly, using the POWER SUPPLY ROUTING and wiring diagrams permits service personnel to understand the entire electrical arrangement of a system.

L: S.M.J.
A symbol is used to indicate the terminal arrangement of the super multiple junction. The S.M.J. is not shown in respective wiring diagrams but is indicated on the next image.

SYMBOLS AND ABBREVIATIONS
A number of symbols and abbreviations are used in each wiring diagram to easily identify parts or circuits.