Curiosii for ever!: Car repair manuals for everyone.

Vehicle Speed Sensor: Testing and Inspection

DTC PO5OO
VEHICLE SPEED SENSOR MALFUNCTION (VSP)





Description
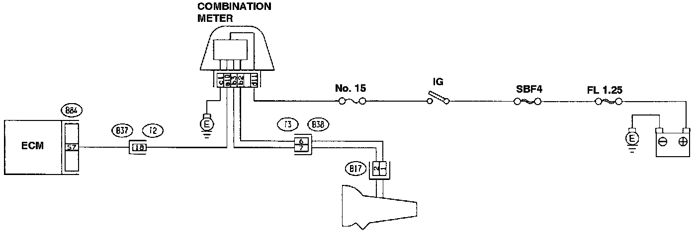
- The speedometer system is an electric type; it uses no speedometer cable and drives the speedometer according to electric pick-up sensor (vehicle speed sensor 2). The speed sensor 2 is installed on the transmission. The speed sensor 2 sends the vehicle speed signal (8 pulses per one turn of speed sensor driven shaft) to the speed detection circuit in the speedometer where this signal pulse wave is regulated.
- The regulated pulse signal (4 pulses per one turn of speed sensor driven shaft) is sent to the speedometer drive circuit and odometer (trip meter) drive circuit.
- The output signal from vehicle speed detection circuit is also used in the Engine Control Module (ECM), Transmission Control Module (TCM),etc.





- The speed sensor 2 consists of a magnetic resistance element, magnet ring, driven shaft, spring, etc. As the driven key rotates, the magnet turns to change the magnetic field of the coil. The coil generates power corresponding to a change in the magnetic field. One turn of the driven key in the vehicle Speed Sensor 2 sends 8 pulses of Alternating Current (AC) signal to the combination meter.

DTC Detecting Condition
Immediately at fault recognition.











1. Check Speedometer operating in combination meter.
[CHECK]: Check normal operation of speedometer.
[NO]: Check speedometer and vehicle speed sensor.
[YES]: Go to step 2.

2. Check harness.





a. Turn ignition switch to "OFF".
b. Disconnect connector from TCM.
c. Turn ignition switch to "ON".
d. Measure voltage between ECM and body.
[CHECK]: Connector & terminal:
(B84) No. 57 - Body/2 Volts or more.
[CHECK]: Check the following and repair if necessary.
[YES]: Open circuit of harness between ECM connector and Combination Meter connector.
- Poor contact in ECM connector.
- Poor contact in combination meter connector.
- Poor contact in coupling connector (B37).
[NO]: Go to step 3.

3. Check harness.





a. Turn ignition switch to "OFF".
b. Disconnect connector from ECM.
c. Measure resistance of harness between ECM connector and body.
[CHECK]: Connector & terminal:
(B84) No. 57 - Body/10 Ohms or less.
[YES]: Repair short circuit of harness between ECM connector and combination meter connector.
[NO]: Repair poor contact in ECM connector.