Curiosii for ever!
: Car repair manuals for everyone.
Home
>>
Subaru
>>
1995
>>
Legacy Sedan 2WD F4-2.2L SOHC
>>
Repair and Diagnosis
>>
Powertrain Management
>>
Transmission Control Systems
>>
Diagrams
>>
Electrical Diagrams
>>
A/T Control System Circuits
A/T Control System Circuits
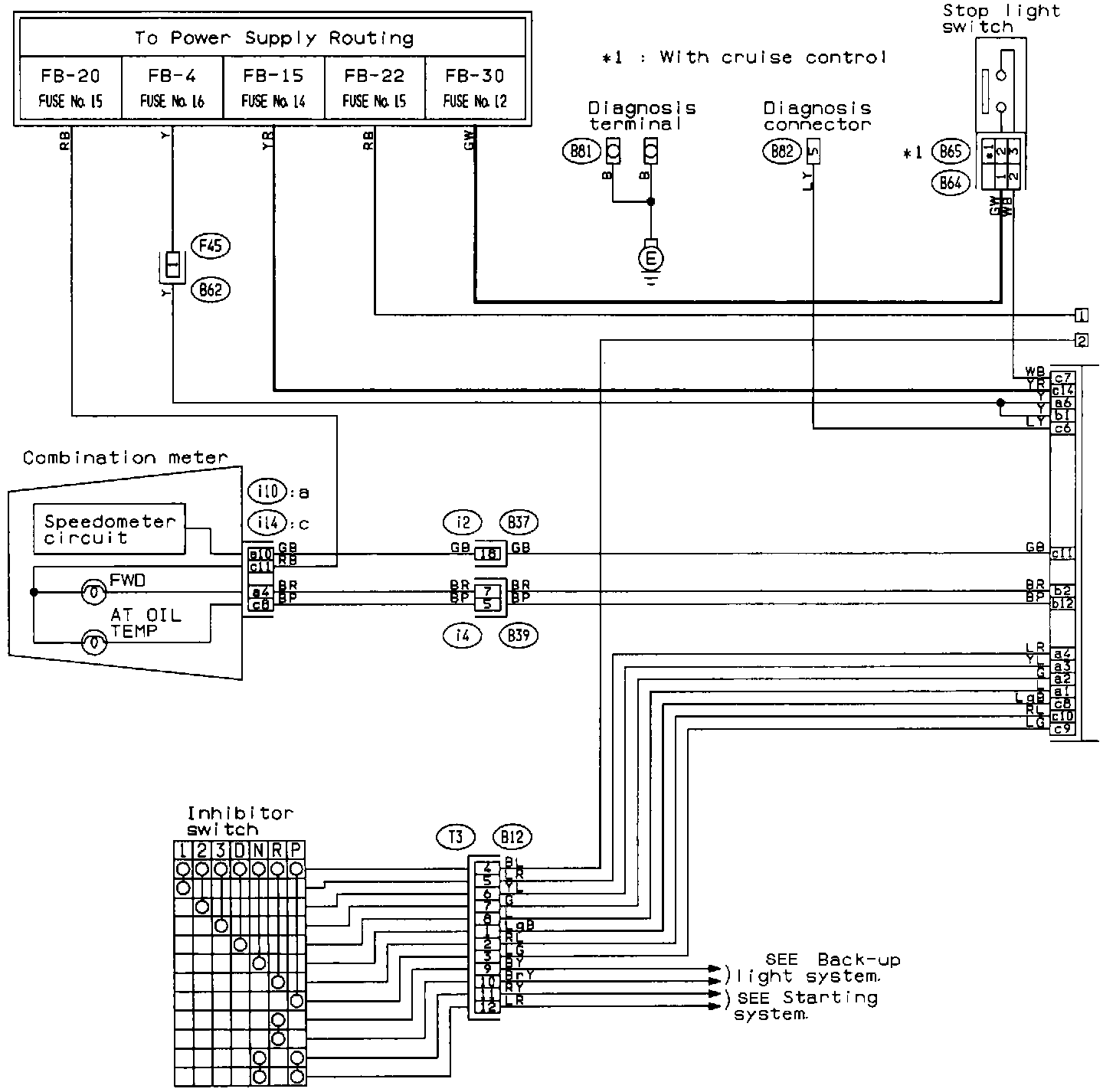
AT Control System (Part 1 Of 2):
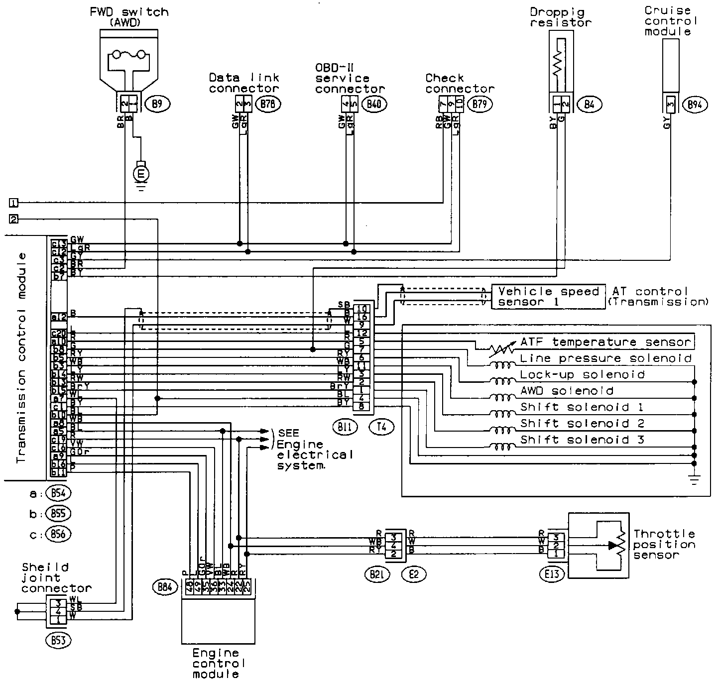
AT Control System (Part 2 Of 2):