Curiosii for ever!
: Car repair manuals for everyone.
Home
>>
Subaru
>>
1995
>>
Legacy Sedan 2WD F4-2.2L SOHC
>>
Repair and Diagnosis
>>
Diagrams
>>
Exploded Views
>>
Engine
>>
Cylinder Head Assembly
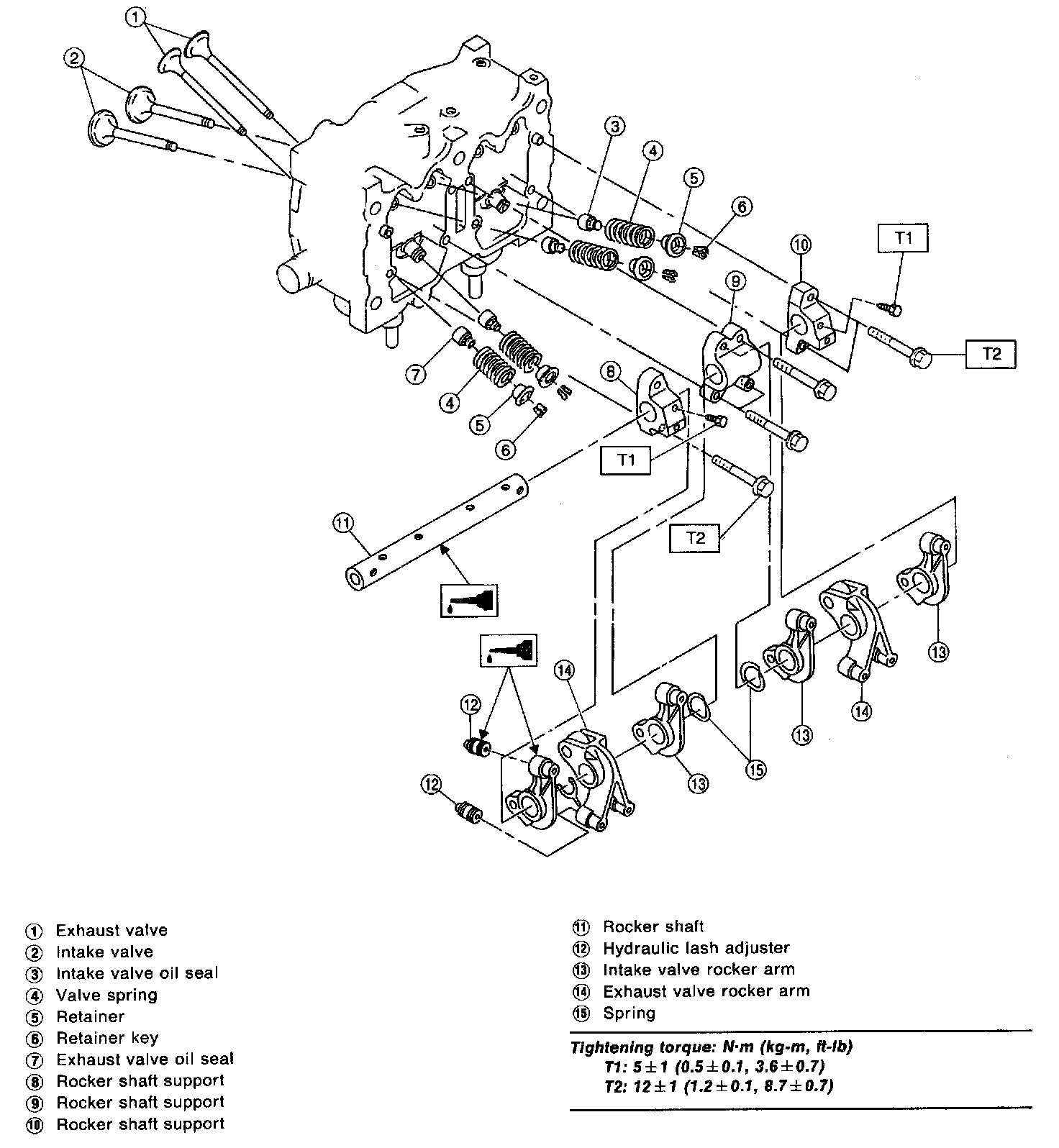
Cylinder Head Assembly