Curiosii for ever!: Car repair manuals for everyone.

M/T Torque Data

5-spd M/T, Clutch Control System:



5-spd M/T, Transmission Control System (FWD):



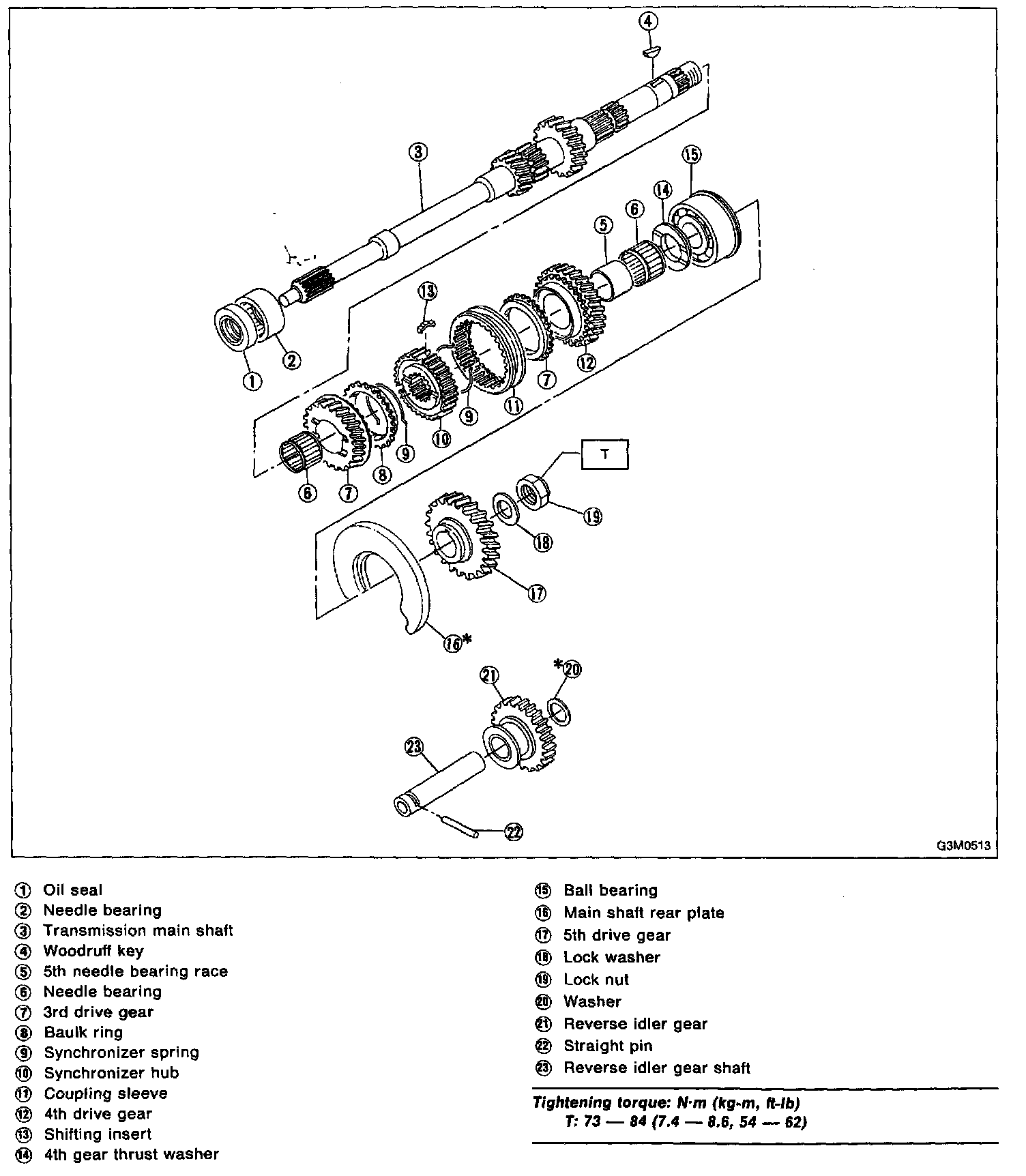
5-spd M/T, Transmission Main Shaft Assembly (FWD):



5-spd M/T, Transmission Drive Pinion Assembly (FWD):



5-spd M/T, Transmission Shifter Fork And Rod (FWD):



5-spd M/T, Transmission Case:



5-spd M/T, Transmission Rear Case (FWD):



5-spd M/T, Transmission Mounting: