Curiosii for ever!: Car repair manuals for everyone.

M/T Torque Data

5-spd M/T, Clutch Control System:



5-spd M/T, Transmission Control System (AWD):



5-spd M/T, Transmission Main Shaft Assembly (AWD):



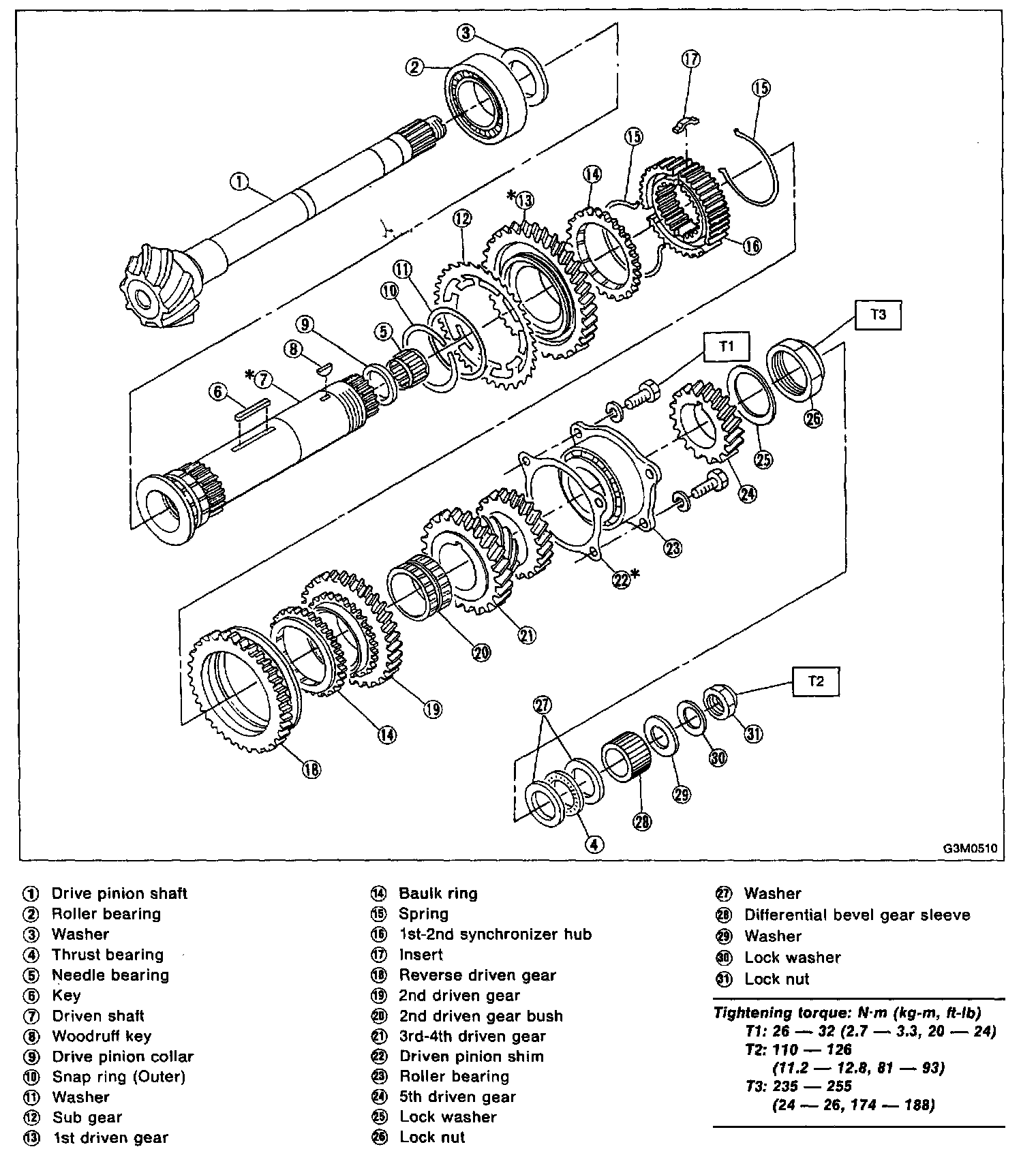
5-spd M/T, Transmission Drive Pinion Assembly (AWD):



5-spd M/T, Transmission Shaft Fork & Rod:



5-spd M/T, Transmission Case:



5-spd M/T, Transfer Case & Transmission Extension (AWD):



5-spd M/T, Transmission Mounting: