Curiosii for ever!
: Car repair manuals for everyone.
Home
>>
Subaru
>>
1995
>>
Impreza Sedan AWD F4-2.2L SOHC
>>
Repair and Diagnosis
>>
Powertrain Management
>>
Transmission Control Systems
>>
Diagrams
Transmission Control Systems: Diagrams
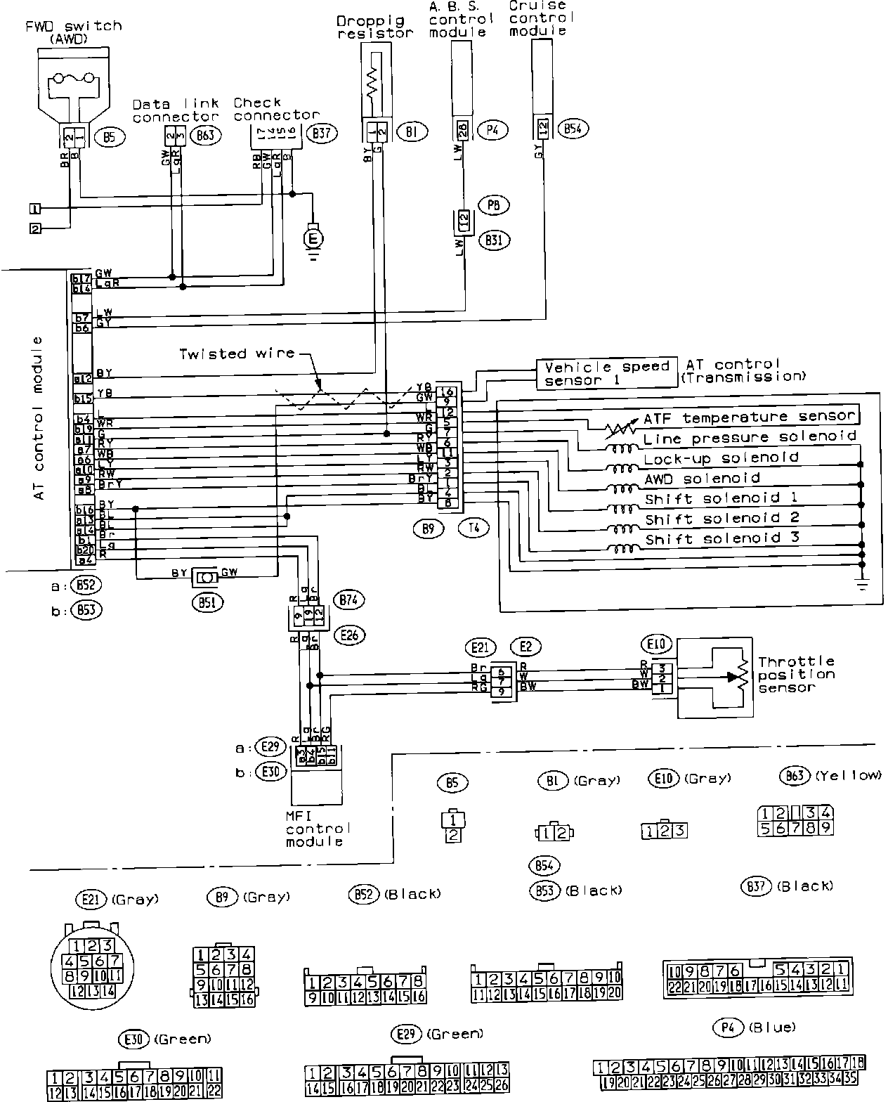
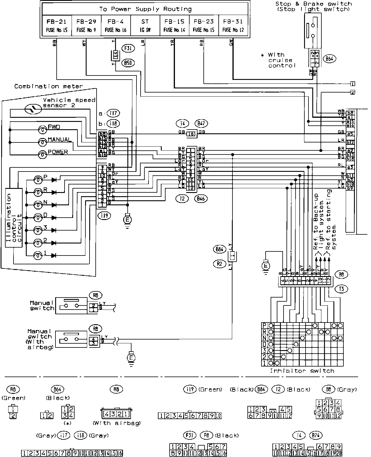
Transmission Controls (Automatic):
Transmission Controls (Automatic):