Curiosii for ever!: Car repair manuals for everyone.

EGR Valve: Service and Repair

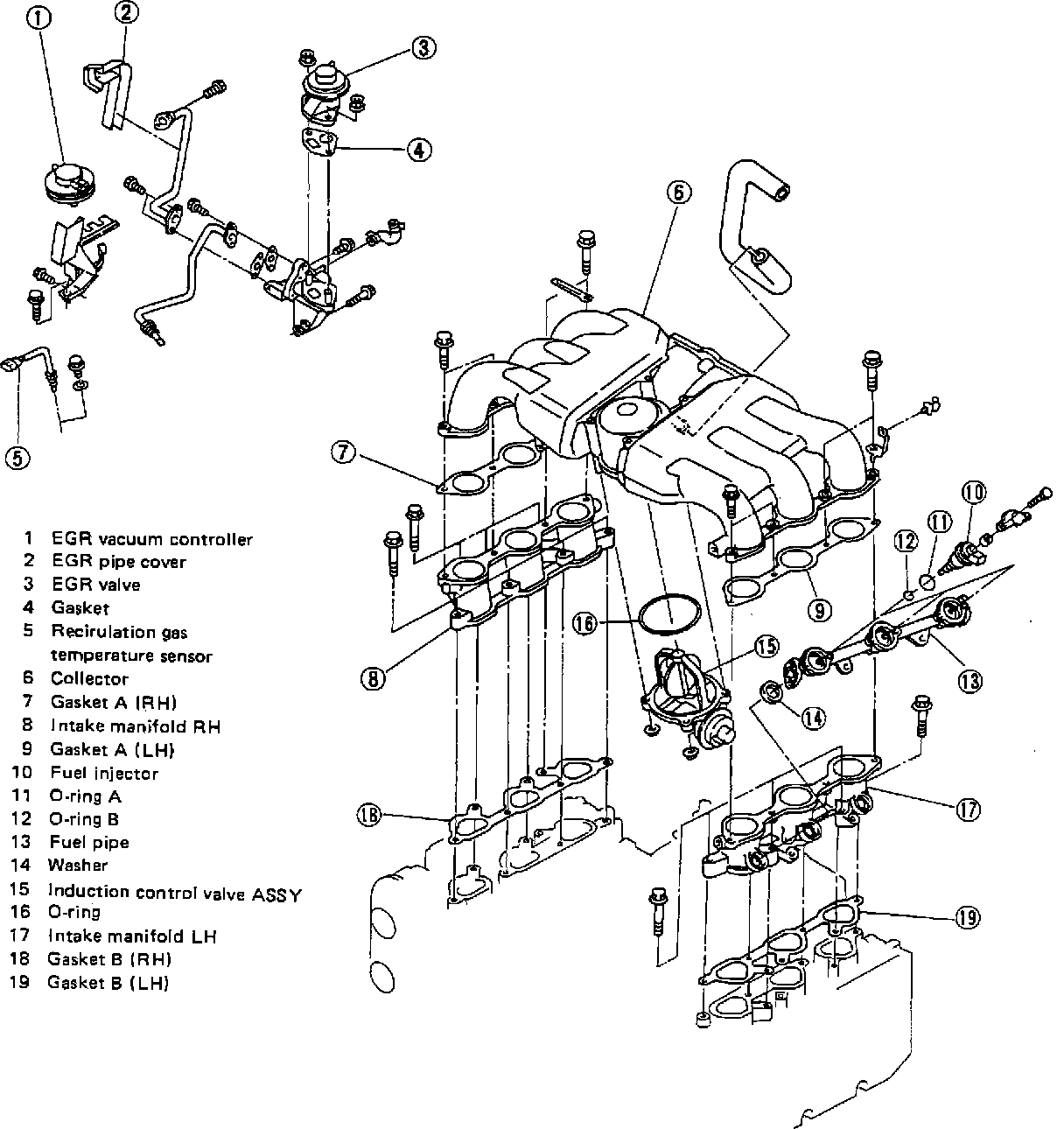
Intake Manifold:





EGR VALVE REMOVAL
1. Remove EGR fasteners.
2. Disconnect vacuum hose.
3. Reinstall in reverse order with new gasket.
FASTENER TORQUE VALUE
12.6 - 14.8 ft.lbs. (17 - 20 Nm)

EGR VALVE CLEANING
NOTE: Do not damage the EGR valve diaphragm by cleaning it with solvents. Do not clamp the valve in a vise. Always use a new gasket when replacing valve.

1. Hold EGR valve assembly and tap lightly with a small plastic hammer to remove deposits from the valve seat. Empty out loose particles.
2. Clean deposits from around the mounting surface and valve with a wire wheel or other suitable tool.
3. Depress the valve diaphragm. Check the valve seat area for cleanliness by looking through the valve outlet. If not completely clean, repeat step 1.
4. Remove deposits from the valve outlet with a screwdriver or other suitable tool.
5. Blow out small particles and dust with an air hose.
6. Check valve operation with a hand vacuum pump. Replace the valve if it does not open completely.

EXHAUST GAS PASSAGE CLEANING

NOTE: Do not use an electric drill.

1. Inspect EGR inlet to the intake manifold and remove any deposits with a hooked awl or similar tool. Take care to minimize the amount of material falling into the manifold.
2. Remove loose deposits with a vacuum cleaning device.
3. Inspect and clean EGR valve as described in the previous section.