Curiosii for ever!
: Car repair manuals for everyone.
Home
>>
Subaru
>>
1994
>>
Legacy Sedan 4WD F4-2.2L SOHC
>>
Repair and Diagnosis
>>
Heating and Air Conditioning
>>
Locations
>>
Component Locations
>>
System Components
>>
Calsonic
Calsonic
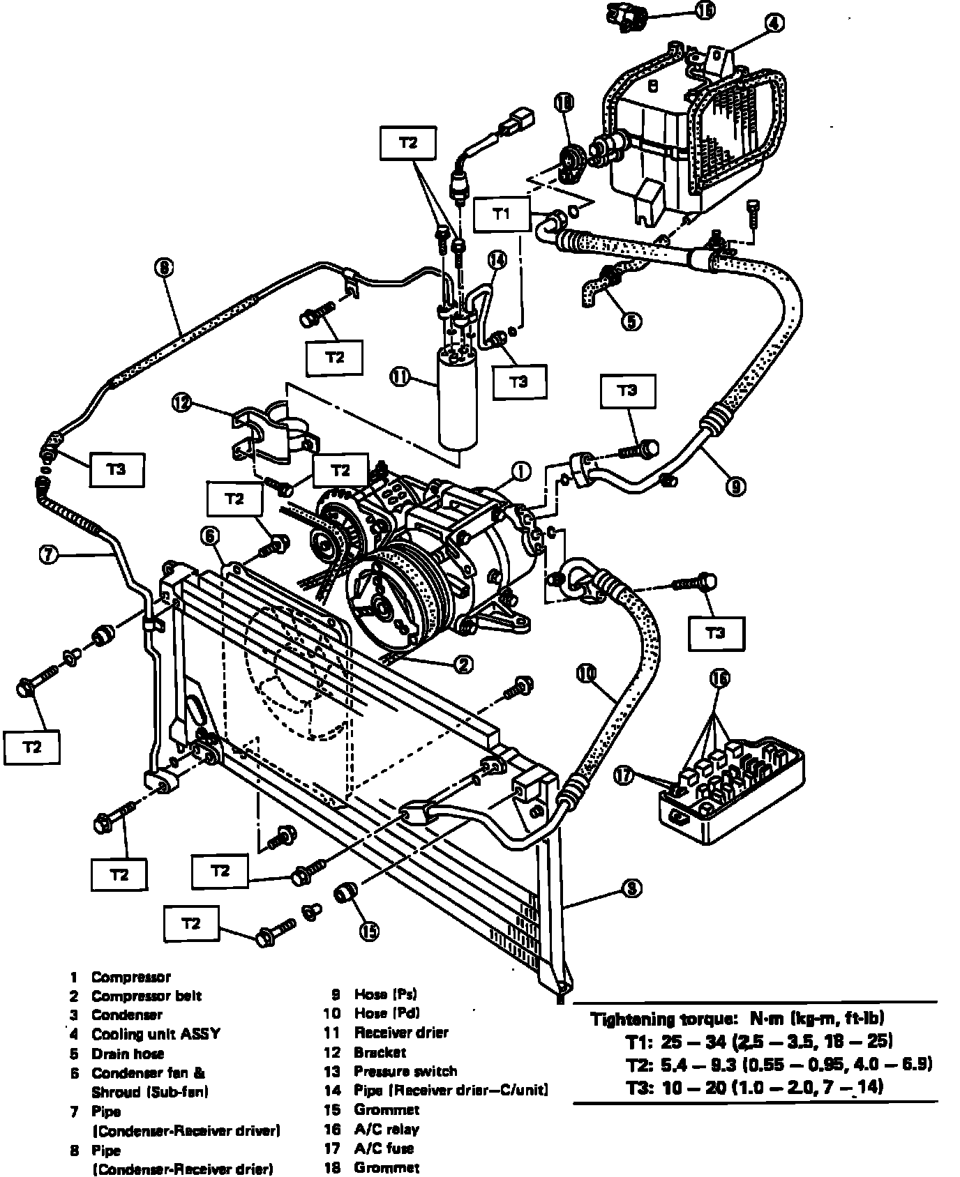
System Components (Calsonic):