Curiosii for ever!
: Car repair manuals for everyone.
Home
>>
Subaru
>>
1994
>>
Legacy Sedan 2WD F4-2.2L SOHC
>>
Repair and Diagnosis
>>
Specifications
>>
Mechanical Specifications
>>
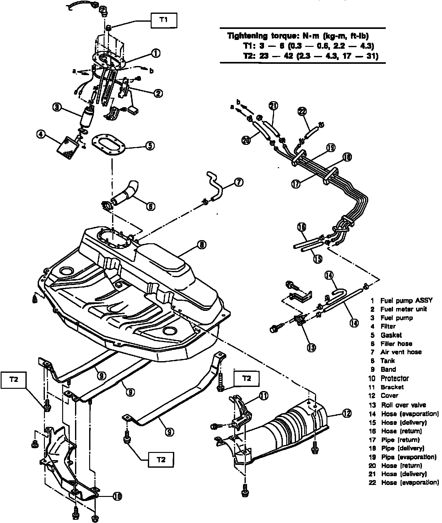
Fuel Tank
Fuel Tank
Fuel Tank: