Curiosii for ever!: Car repair manuals for everyone.

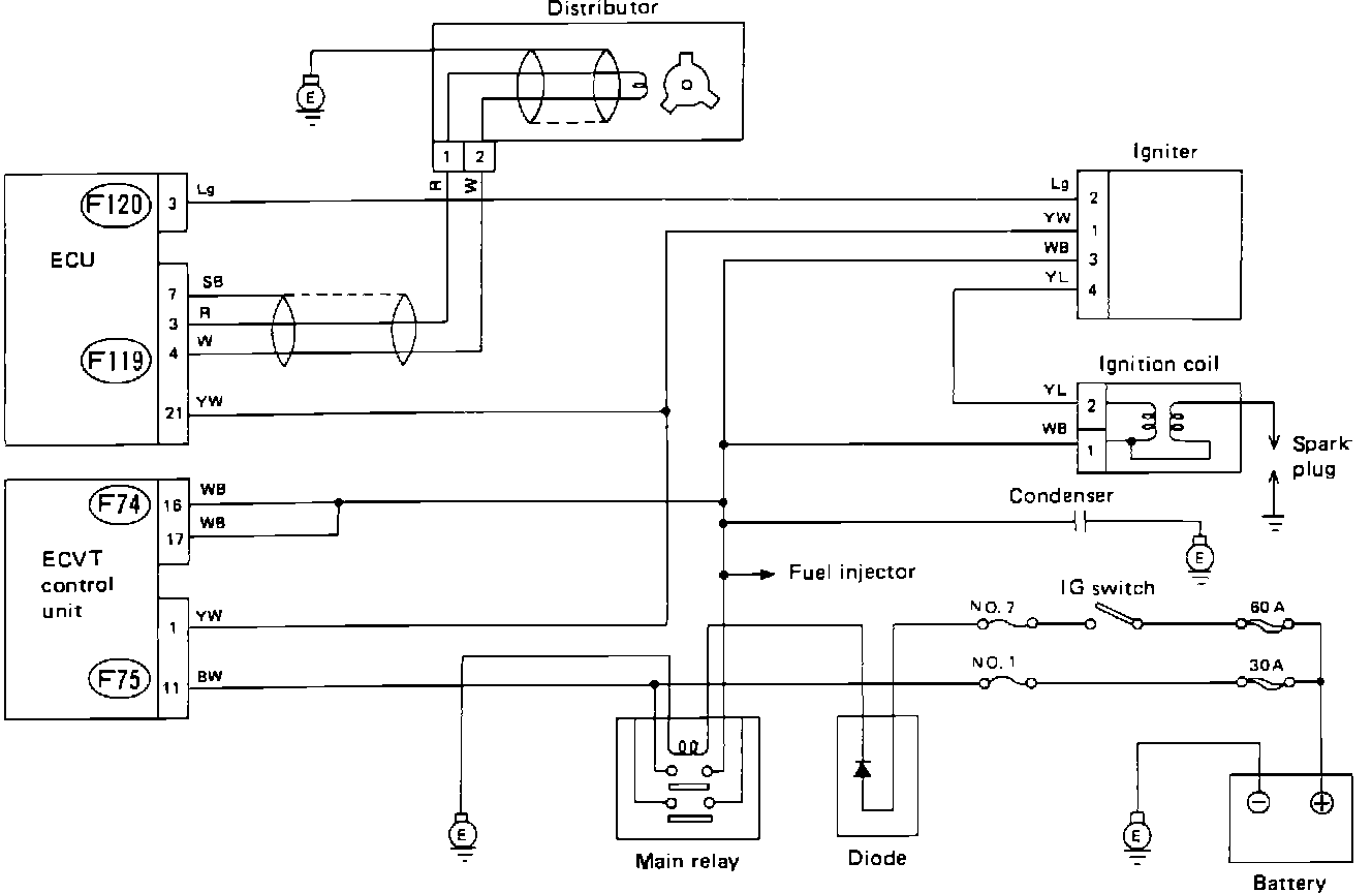
Ignition Control System

NO SPARK TEST AND INSPECTION

Ignition Control Circuit:





The following procedure should be used to check for a "NO SPARK" condition. Refer to the schematic diagram and test the circuit with the diagnostic chart.

Wire color code identification:

L: Blue
B: Black
Y: Yellow
G: Green
R: Red
W: White
Br: Brown
Lg: Light green
Gr: Gray

Ignition Control Circuit Diagnostic Chart:






IGNITION CONTROL SYSTEM DIAGNOSTIC CHART

Checking For Spark:






CHECK IGNITION SYSTEM FOR SPARK
1. Disconnect injector sub-harness.
2. Remove high tension wires from spark plugs.
3. Install NEW spark plug into wire terminal.
4. Ground threads of spark plug against engine.
5. Crank engine and confirm that spark occurs at each wire.

Primary Terminals:





CHECK VOLTAGE AT POSITIVE TERMINALS OF COIL AND IGNITOR
1. Disconnect ignition coil and ignitor electrical connectors.
2. Turn ignition switch "ON".
3. Using a voltmeter, measure the voltage between ground and positive terminal of coil and ignitor (harness side).

Connector & terminal: Voltage:
(F117)3-Ground Above 9V
(F50)1-Ground Above 9V

CHECK IGNITION COIL
1. Remove high tension cord from coil.
2. Using an ohmmeter, measure resistance between ignition coil terminals.

Connector & terminal: Resistance:
(F50)1-(F50)2 0.9-1.1 Ohm @ 20° C (68° F)

3. Measure resistance between coil high tension terminal and connector terminal (F50)1. It should read 10-14K Ohms @ 20° C (68° F).

Ignitor Connector:





CHECK HARNESS BETWEEN COIL AND IGNITOR
1. Using an ohmmeter, measure resistance between ignitor connector and coil connector.

Connector & terminal: Resistance:
(F117)4-(F50)2 Below 1 Ohm

2. Reconnect all connectors.


CHECK FOR CODE 36 (FAULTY IGNITOR)
1. Make sure test mode and read memory connectors are disconnected.
2. Crank engine for five (5) seconds or more.
3. Turn key "ON" and connect read memory connector.
4. Code 36 should be in memory.


Crank Angle Sensor Connector:





CHECK CRANK ANGLE SENSOR HARNESS
1. Disconnect distributor connector.
2. Using a voltmeter set below the 0.5 volt range, measure volatge between distributor terminals while cranking engine.

Connector & terminal: Voltage:
(F116)1-2 Voltage changes in response to engine rpm.

Replace crank angle sensor if voltage remains constant or does not exist.

ECU Connector:





3. Disconnect ECU connector.
4. Using an ohmmeter, measure resistance between ECU connector and distributor connector (harness side).

Connector & terminal: Resistance:
(F119)3-(F116)1 Below 1 Ohm
(F119)4-(F116)2 Below 1 Ohm
(F119)3-ground infinite Ohms
(F119)4-ground infinite Ohms

5. Connect ECU connector.
6. Using an ohmmeter, back the ECU terminal and measure resistance.

Connector & terminal: Resistance:
(F119)7-Ground Below 10 Ohm