Curiosii for ever!
: Car repair manuals for everyone.
Home
>>
Subaru
>>
1994
>>
Justy Hatchback 2WD L3-1.2L SOHC (MPFI)
>>
Repair and Diagnosis
>>
Diagrams
>>
Electrical Diagrams
>>
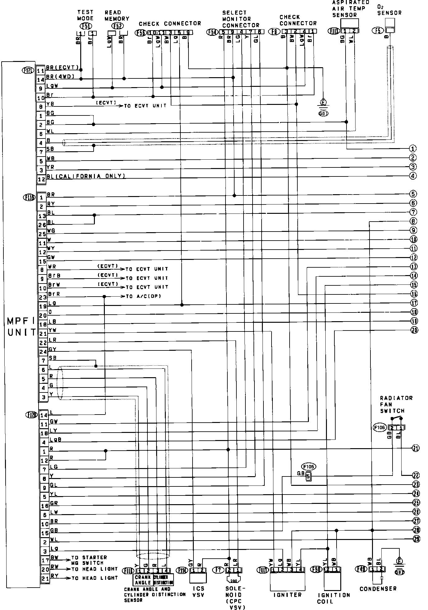
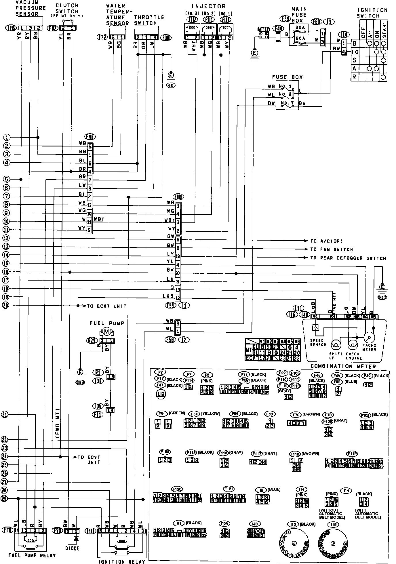
Engine Control Module
Engine Control Module
Multi Point Fuel Injection System:
Multi Point Fuel Injection System: