Torque Specifications
TORQUE SPECIFICATIONSTiming Components
Cylinder Head and Camshaft
Cylinder Head Valve Assembly
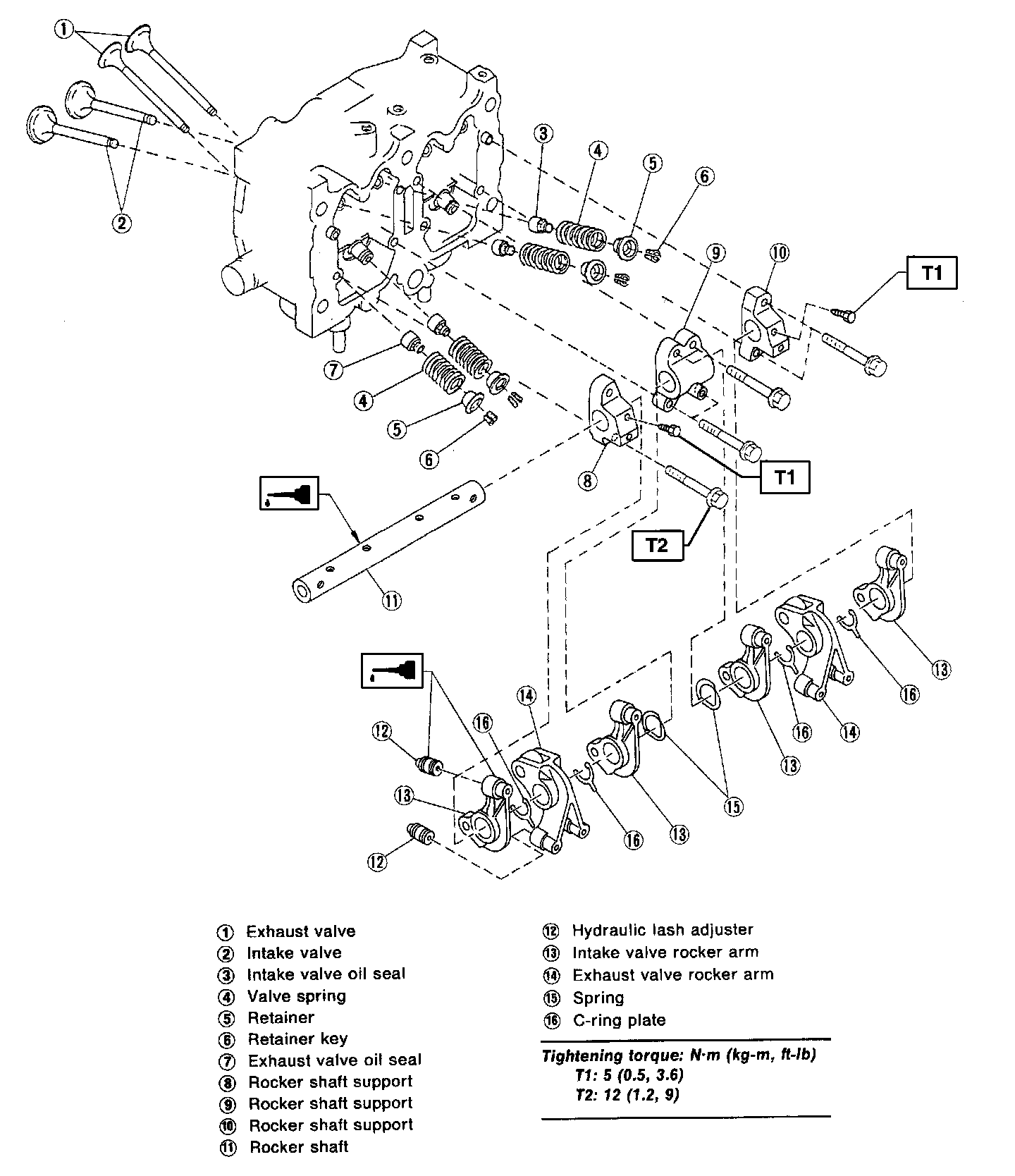
Valve Rocker Assembly:
Valve Rocker Assembly Torque Sequence:
Valve Rocker Assembly
CYLINDER HEAD BOLT TORQUE/SEQUENCE
Note: Apply a coat of engine oil to washers and bolt threads.
1. Tighten all bolts to 29 N.m (3.0 kg-m, 22 ft-lb) in numerical order.
2. Then tighten all bolts to 69 N.m (7.0 kg-m, 51 ft-lb) in numerical order.
3. Back off all bolts by 180° first; back them off by 180° again.
4. Tighten bolts (1) and (2) to 34 N.m (3.5 kg-m, 25 ft-lb).
5. Tighten bolts (3), (4), (5) and (6) to 15 N.m (1.5 kg-m, 11 ft-lb).
6. Tighten all bolts by 80° to 90° in numerical sequence.
CAUTION: Do not tighten bolts more than 90°.
7. Further tighten all bolts by 80° to 90° in numerical sequence.
CAUTION: Ensure that the total "re-tightening angle" does not exceed 180°.
Cyliinder Block Assembly
Crankshaft, Piston and Flywheel
Oil Pump and Oil Pan
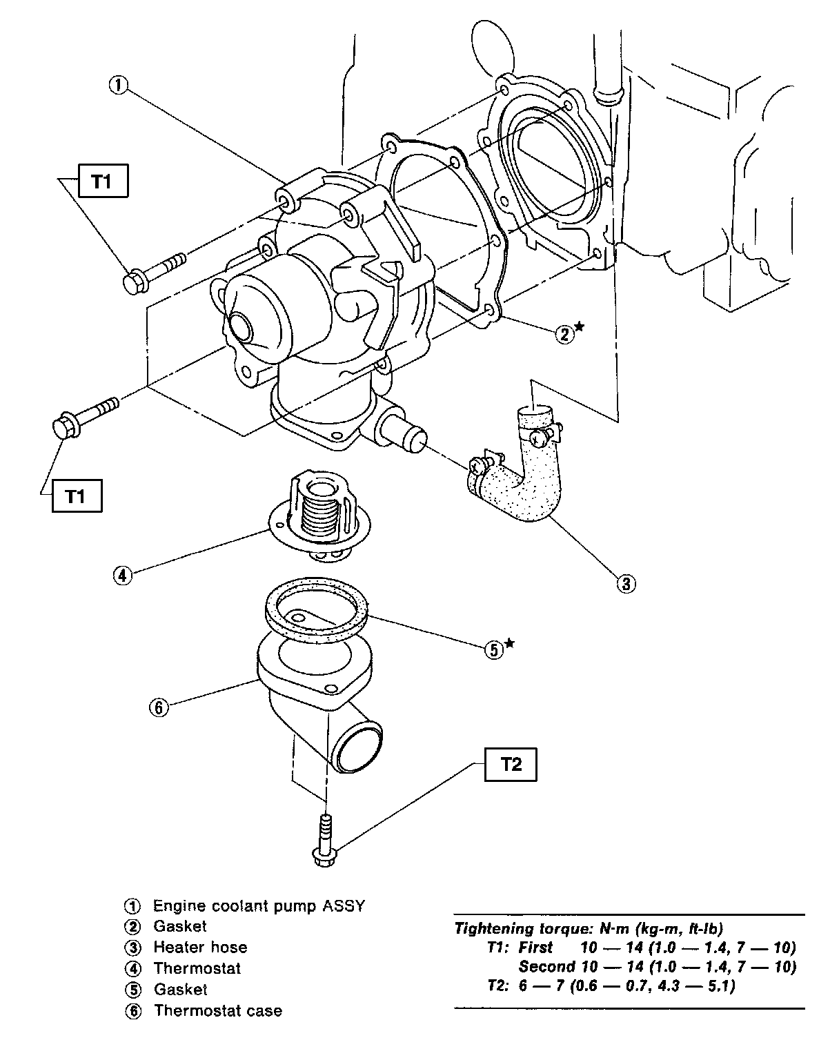
Water Pump:
Coolant Pipe:
Water Pump and Coolant Pipe
Intake Manifold Part 1 Of 2:
Intake Manifold Part 2 Of 2:
Throttle Body:
Intake Manifold and Throttle Body