Curiosii for ever!
: Car repair manuals for everyone.
Home
>>
Subaru
>>
1993
>>
Legacy Wagon 2WD F4-2.2L SOHC
>>
Repair and Diagnosis
>>
Diagrams
>>
Exploded Views
>>
Automatic Transmission/Transaxle
>>
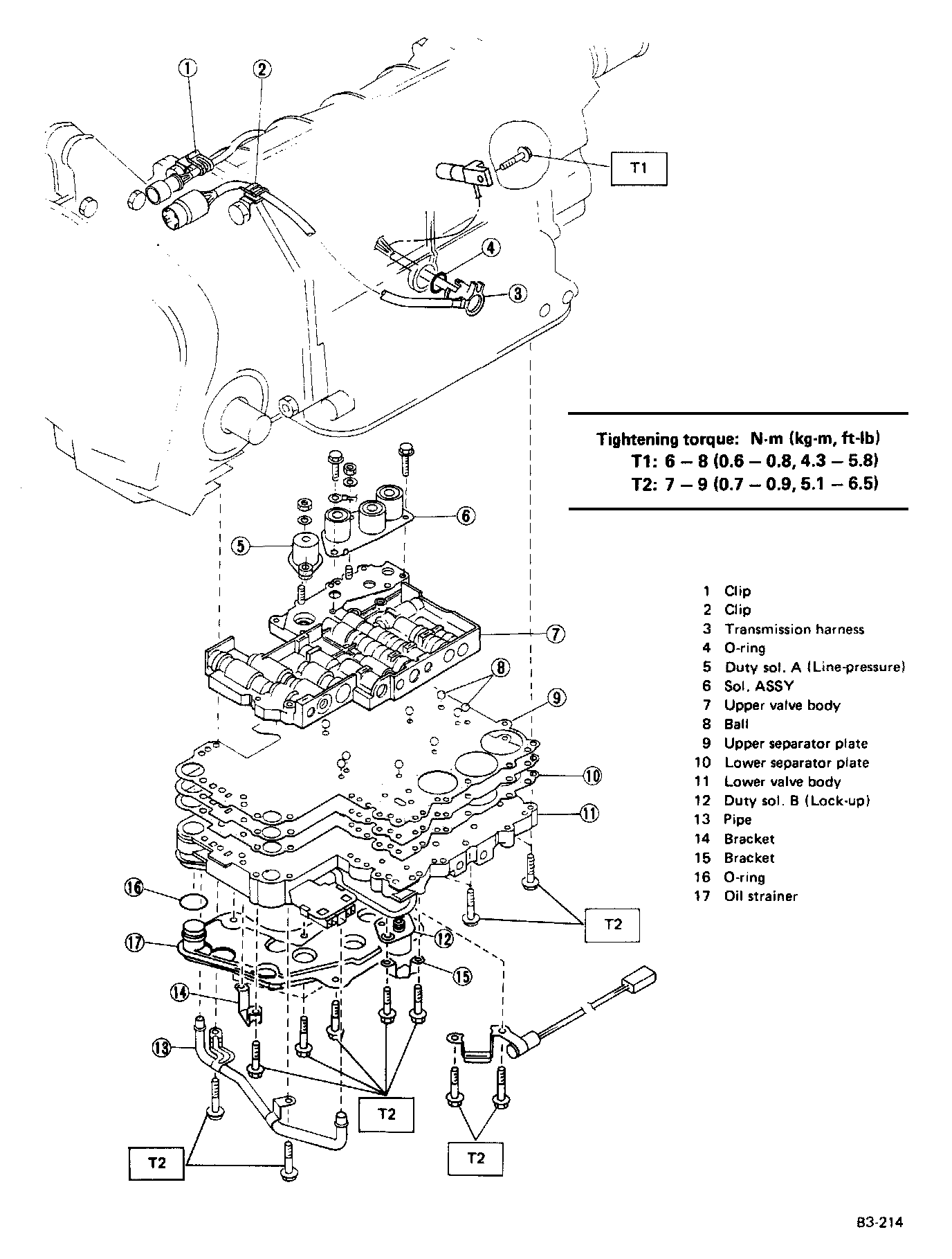
Control Valve and Harness Routing
Control Valve and Harness Routing