Curiosii for ever!
: Car repair manuals for everyone.
Home
>>
Subaru
>>
1993
>>
Legacy Sedan 2WD F4-2.2L SOHC
>>
Repair and Diagnosis
>>
Specifications
>>
Mechanical Specifications
>>
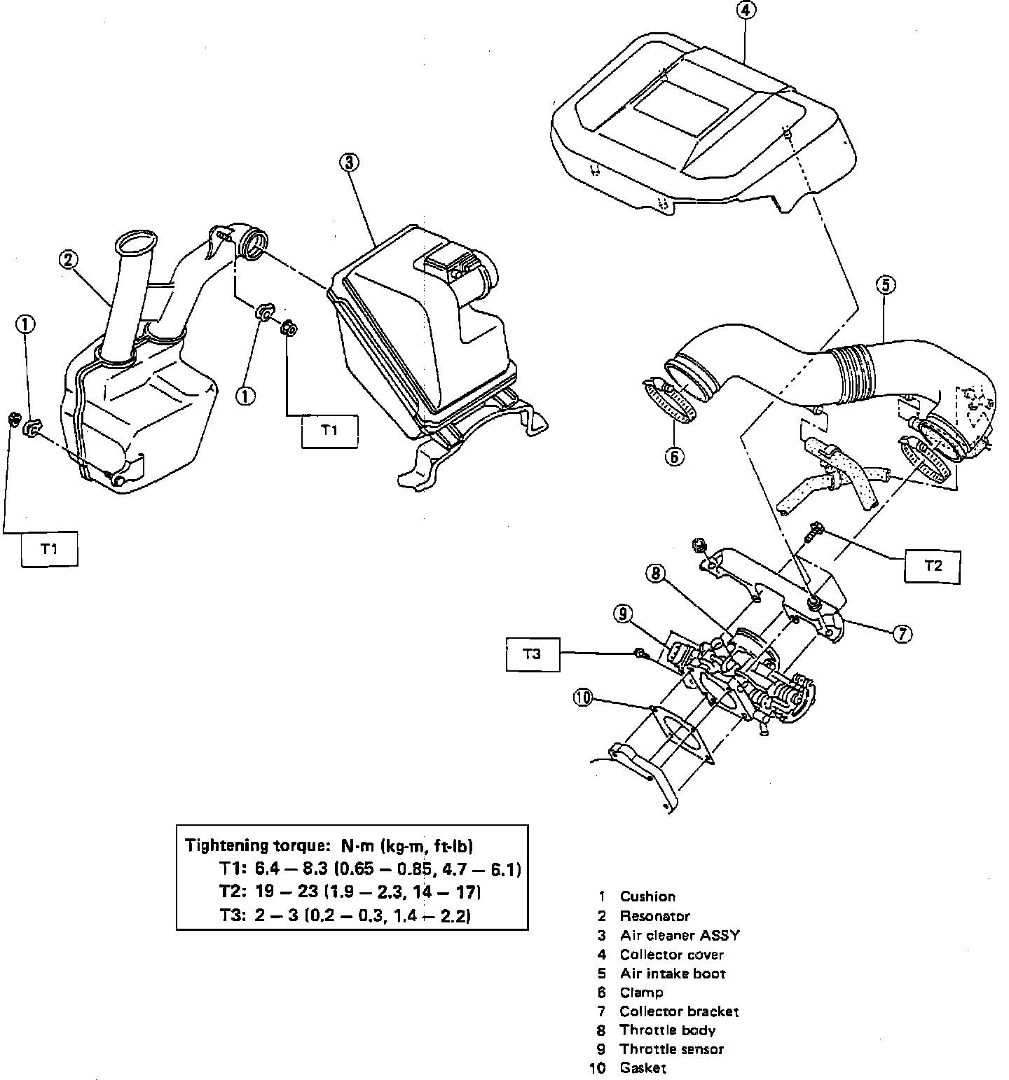
Throttle Body
Throttle Body
Air Intake And Throttle Body: