Curiosii for ever!: Car repair manuals for everyone.

Heater Core: Service and Repair

Heater Core

1. On models with airbags, disarm airbag system as described under MAINTENANCE PROCEDURES/AIRBAG SYSTEM DISARMING.
2. On all models, disconnect battery ground cable.
3. Disconnect inlet and outlet heater hoses in engine compartment. Drain as much coolant as possible from heater unit and plug disconnected hoses.
4. Disconnect heater control cable and vacuum hose from heater unit joint.

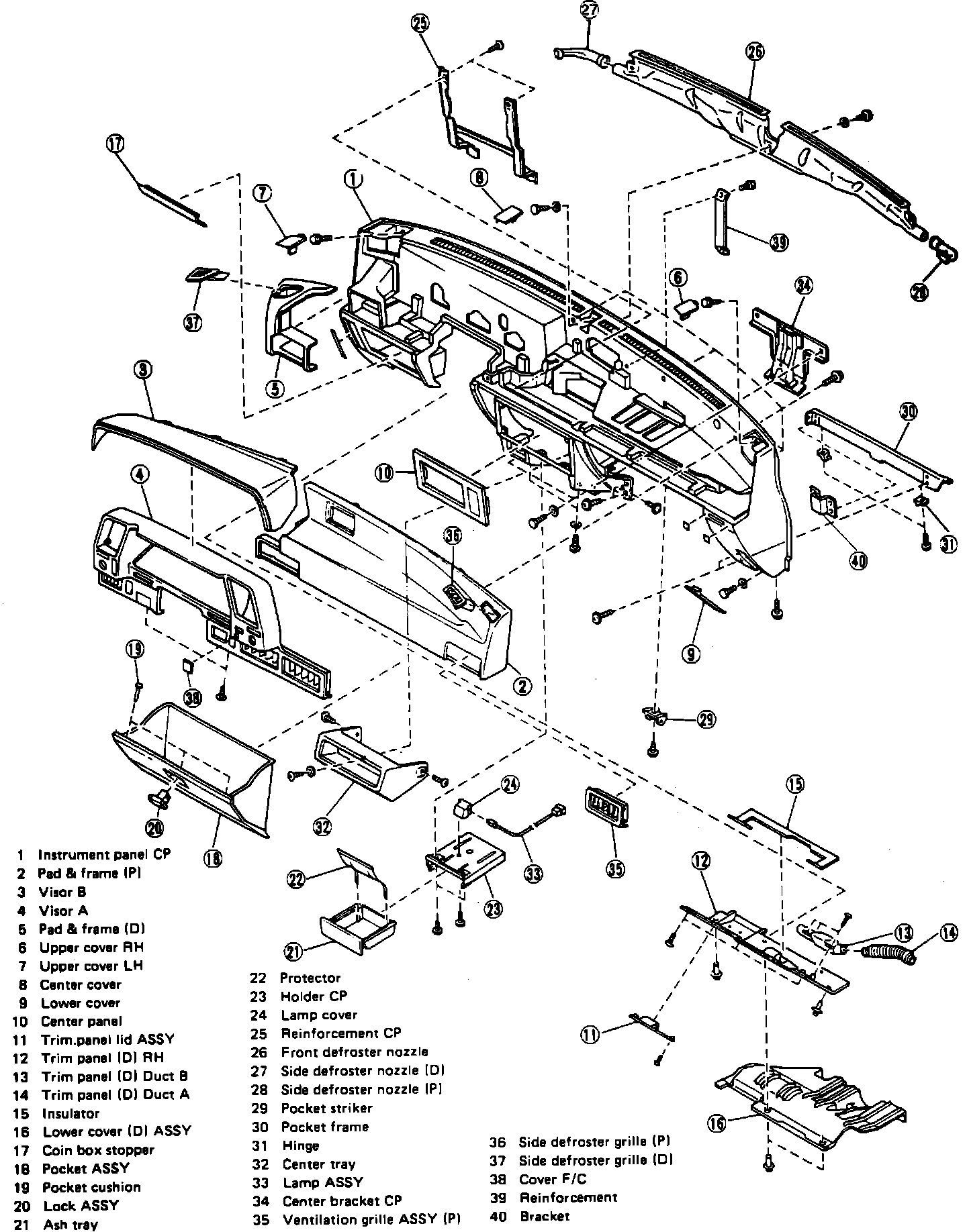
Fig. 5 Exploded View Of Instrument Panel:






5. On all except Legacy, SVX and XT, remove instrument panel as follows:
a. Remove trim panel D from driver's side, Fig. 5.
b. Remove tapping screws from lower side of instrument panel in three places.
c. Remove clip from steering column shaft while lowering cover, if equipped.
d. Disconnect ventilation duct combined with trim panel from heater.
e. Remove fuse box attaching bolts and fuse box.
f. Disconnect fresh air ventilation cable on driver's side by removing cable from clamp on rear left side of instrument panel and disconnecting cable from fresh air ventilation lever rod.
g. Disconnect heater control cable by removing cable from clamp on left side of heater unit and disconnecting cable from select lever rod.
h. Disconnect vacuum hoses.
i. Disconnect instrument and body harness connectors on driver's side.
j. Remove steering wheel and disconnect steering column from vehicle body.
k. Disconnect speedometer cable from rear side of combination meter.
l. Remove center tray attaching screws and tray.
m. Remove console box.
n. Remove trim panel on passenger side by removing resin clips from lower end of instrument panel in two places, removing resin clip on pillar side and detaching trim panel from heater side.
o. Remove glove box pocket by remove screws holding hinges to lower end of pocket and detaching lock from striker.
p. Disconnect blower motor vacuum hose from upper rear side of pocket frame.
q. Disconnect electrical connectors on passenger side.
r. Remove instrument panel covers.
s. Remove instrument panel attaching bolts.
t. Disconnect radio antenna lead from rear side of instrument panel.
u. Carefully remove lower instrument panel.

Fig. 6 Exploded View Of Instrument Panel:






6. On Legacy, remove instrument panel as follows:
a. Remove one lower passenger side, two side and three upper instrument panel covers, Fig. 6.
b. Remove body front pillar lower trim panel.
c. Disconnect hood release cable from hood.
d. Disconnect fuse block, harness and blower switch electrical connectors.
e. Disconnect speedometer from combination meter.
f. Disconnect ventilation and temperature control cables from heater unit.
g. Disconnect radio antenna.
h. Remove driver's side trim panel.
i. Remove steering shaft and instrument panel retaining bolts.
j. Disconnect blower motor vacuum hose from rear side of pocket frame.
k. Remove instrument panel.

Fig. 7 Exploded View Of Instrument Panel:






7. On XT, remove instrument panel as follows:
a. Remove lower cover on driver's side, Fig. 7.
b. Remove side ventilation duct.
c. Open fuse box lid, remove attaching screws and detach fuse box from instrument panel.
d. Remove lower cover on passenger side.
e. Remove instrument panel upper cover by prying with suitable screwdriver at both ends and in middle.
f. Remove console box.
g. Remove steering shaft assembly, combination meter and control wiring as a unit.
h. Disconnect all electrical connectors from instrument panel.
i. Remove instrument panel attaching bolts and instrument panel.
8. On SVX, remove instrument panel as follows:
a. Remove console box, then front pillar upper trim panel.
b. Remove radio ground wire, then remote controlled rearview mirror switch.
c. Remove screw rivet located on lower side of lower cover.
d. Remove lower cover by removing six clips and three connectors.
e. Remove instrument panel lower cover, then disconnect airbag connector at harness spool.
f. Remove two screws from both left and right sides, then lower steering column.
g. Remove caps from both ends of instrument panel, then remove bolts.
h. Remove two instrument panel switch assemblies by pressing forward, then disconnect switch connectors.
i. Remove visor, then disconnect clock connector.
j. Remove instrument cluster, then meter visor and glove box.
k. Disconnect instrument and body harnesses, then the antenna lead.
l. Cover transmission select lever, then remove instrument panel by pulling forward.
9. On Legacy, remove evaporator as outlined under EVAPORATOR CORE.
10. On all models, remove heater unit.
11. Remove heater core from heater unit.
12. Reverse procedure to install, noting the following:
a. On all models except SVX, fitting length of heater hose to pipe is .79-.98 inch.
b. On all except Legacy and XT, fitting length of vacuum hose must exceed .31 inch.
c. On all models, torque heater unit attaching bolts to 4.0-6.9 ft. lbs.