Curiosii for ever!: Car repair manuals for everyone.

Ignition System: Testing and Inspection

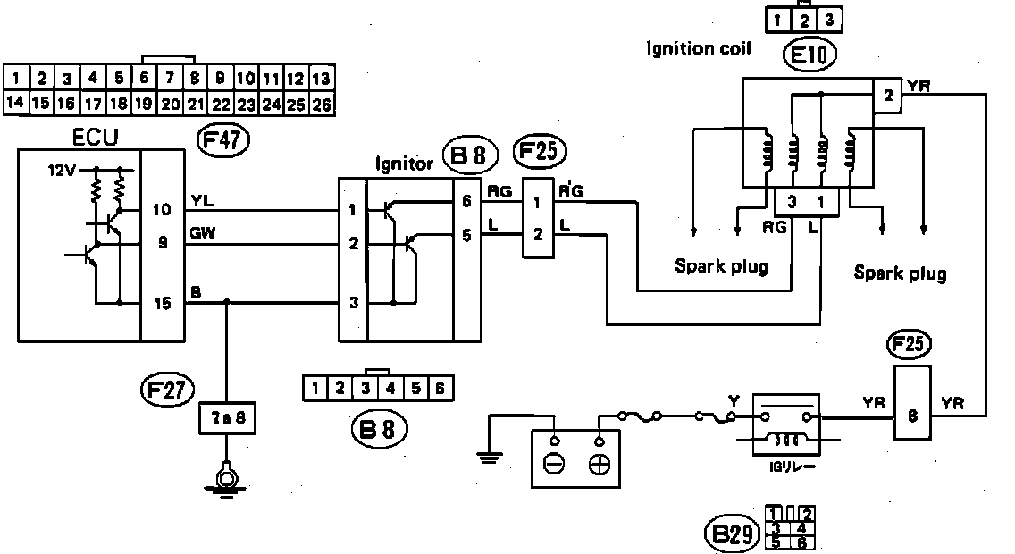
Ignition System Schematic:






A faulty ignition system ignitor does not set a code in the on-board diagnostic system. Refer to the schematic diagram and test the system with the diagnostic chart.


IGNITION CONTROL SYSTEM DIAGNOSTIC CHART

Ignition System Diagnostic Chart:







CHECK FOR SPARK

Ignition Coil:





1. Remove wire from each spark plug.
2. In turn, connect a new plug or special test plug to each wire and ground on engine.
3. Crank engine and check that spark occurs from each cylinder.


CHECK COIL "+" TERMINAL VOLTAGE
With ignition "ON," measure voltage between coil "+" terminal (E10)2 and ground. It should read 10V minimum.


CHECK COIL RESISTANCE

Ignition Coil Testing:





1. Disconnect coil connector and remove coil from engine.
2. Measure resistance of coil primary and secondary windings as follows:

PRIMARY
Connector
& terminal: Resistance:

(E10)2 - (E10)1 0.7 Ohm
(E10)2 - (E10)3 0.7 Ohm

SECONDARY
Terminal: Resistance:
#1 - #2 13.8K Ohms (Hitachi), 21K Ohms (Diamond)
#3 - #4 13.8K Ohms (Hitachi), 21K Ohms (Diamond)



CHECK IGNITOR INPUT SIGNAL

Igniter Testing:





While cranking engine, check that voltage varies synchronously with engine revolutions at ignitor connector terminals (B8)1 and (B8)2.


CHECK HARNESS BETWEEN ECU AND IGNITOR
1. Disconnect ECU and ignitor connectors.
2. Check resistance between ECU and ignitor connectors and ground as follows:

Connector
& terminal: Resistance:

(F47)9 - (B8)2 0 Ohms
(F47)10 - (B8)1 0 Ohms
(F47)15 - (B8)3 0 Ohms
(B8)3 - Ground 0 Ohms
(B8)1 - Ground 1M Ohms min.
(B8)2 - Ground 1M Ohms min.