Curiosii for ever!
: Car repair manuals for everyone.
Home
>>
Subaru
>>
1991
>>
Legacy Sedan 4WD F4-2.2L SOHC
>>
Repair and Diagnosis
>>
Powertrain Management
>>
Computers and Control Systems
>>
Clutch Switch
>>
Locations
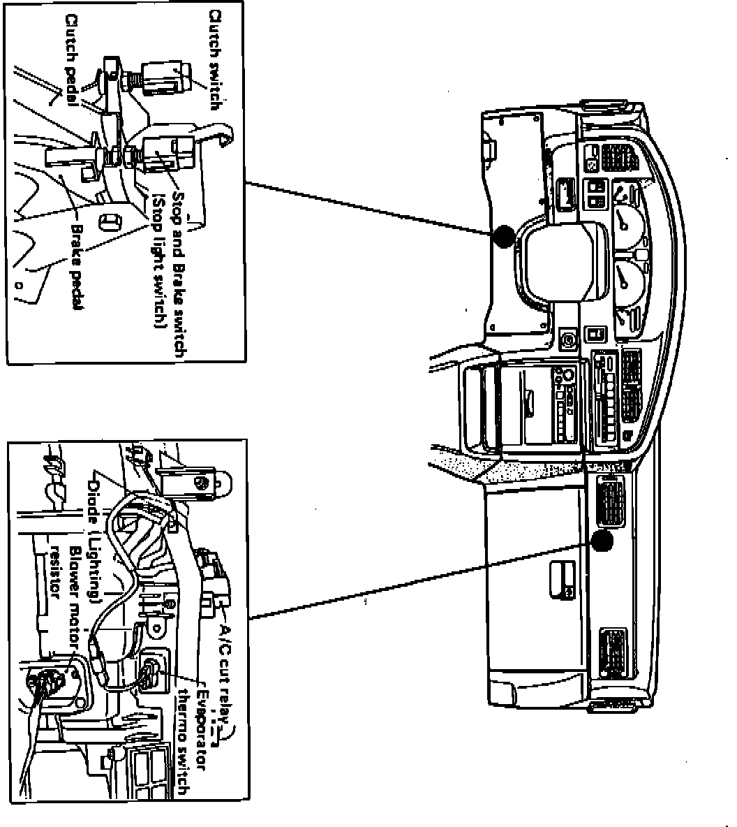
Clutch Switch: Locations
Instrument Panel Component Locations:
On Clutch Pedal Bracket