Curiosii for ever!: Car repair manuals for everyone.

Throttle Full Close Switch: Testing and Inspection

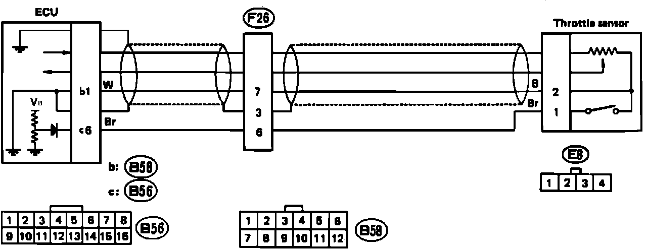
Idle Switch Schematic:





A faulty idle switch will set code 42 in the on-board diagnostic system. The idle switch is an integral part of the throttle sensor assembly. Refer to the schematic diagram and test the switch with the diagnostic chart.

Wire color code identification:

L: Blue
B: Black
Y: Yellow
G: Green
R: Red
W: White
Br: Brown
Lg: Light green
Gr: Gray

Idle Switch Diagnostic Chart:





IDLE SWITCH DIAGNOSTIC CHART

Idle Switch Testing:




Idle Switch Adjusting:





CHECK ECU VOLTAGE

With ignition "ON," measure voltage between ECU connector terminal and ground as follows:

Connector & terminal: Voltage:
(B56)6-Ground 0V (throttle fully closed)
Approx. 4.6V (throttle fully open)

CHECK IDLE SWITCH

1. Disconnect throttle sensor connector.
2. Check continuity between throttle sensor idle switch terminals as follows:

Terminal: Resistance:
#1-#2 0 Ohms (throttle fully closed)
1M Ohms min. (throttle fully open)

3. If resistance is outside specifications, adjust idle switch as follows before replacing throttle sensor:

a. Ensure that there is continuity between terminals #1 and #2 with throttle fully closed.
b. Check that continuity still exists after inserting a thickness gauge of 0.7mm (0.028in) between throttle body stopper screw and stopper (Portion G).
c. Check that there is no continuity when a thickness gauge of 0.9mm (0.035in) is inserted.
d. If adjustment is needed, loosen the two sensor securing screws and turn sensor body until correct adjustment is obtained. Do not adjust the stopper screw.
e. If correct adjustment cannot be made, replace the throttle sensor assembly.

CHECK HARNESS BETWEEN ECU AND IDLE SWITCH

1. Disconnect ECU and throttle sensor connectors.
2. Measure resistance between ECU and throttle sensor connectors and ground as follows:

Connector & terminal: Resistance:
(B56)6-(E8)1 0 Ohms
(B58)1-(E8)2 0 Ohms
(E8)1-Ground 1M Ohms min.
(E8)2-Ground 1M Ohms min.