Curiosii for ever!
: Car repair manuals for everyone.
Home
>>
Subaru
>>
1991
>>
Legacy Sedan 2WD F4-2.2L SOHC
>>
Repair and Diagnosis
>>
Powertrain Management
>>
Computers and Control Systems
>>
Relays and Modules - Computers and Control Systems
>>
Engine Control Module
>>
Diagrams
>>
Diagram Information and Instructions
>>
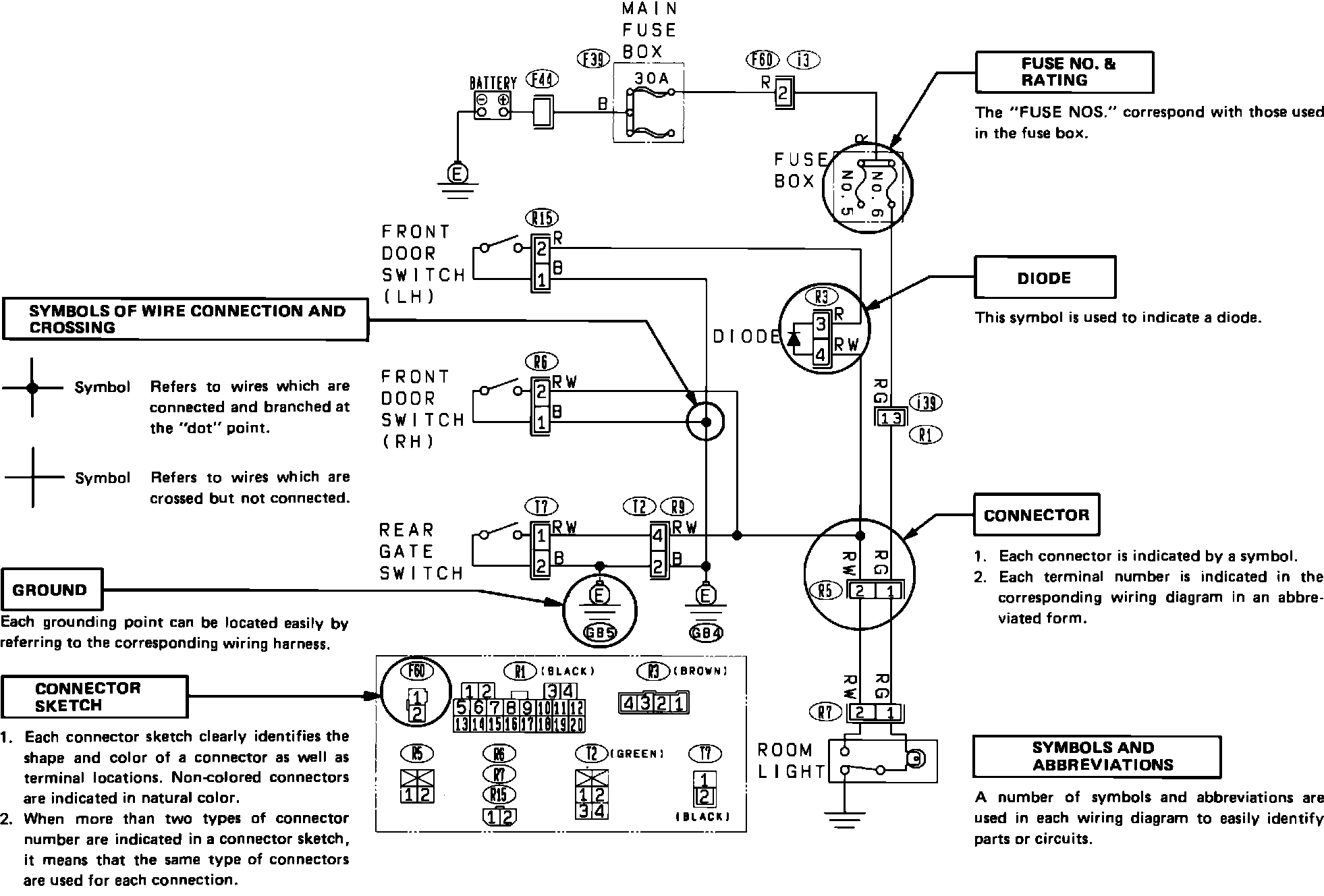
Key to Wiring Diagrams
Key to Wiring Diagrams
Symbol Identification:
��Key To Wiring Diagram: