Curiosii for ever!: Car repair manuals for everyone.

Torque Specifications

TORQUE SPECIFICATIONS





Cylinder Block





Crankshaft, Piston and Flywheel





Cylinder Head and Flywheel Housing





Cylinder Head Torque Sequence





Camshaft and Timing Belt





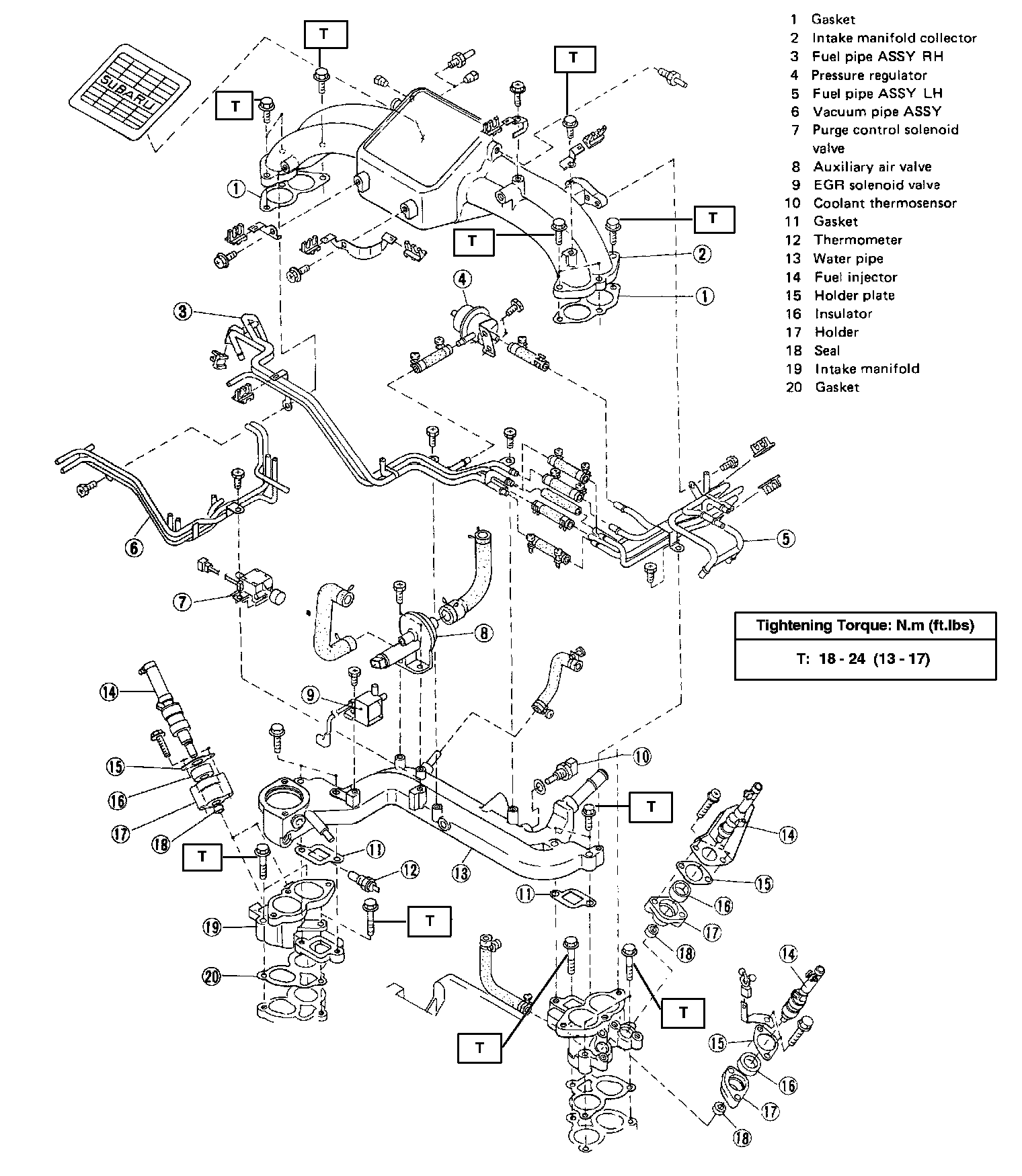
Intake Manifold





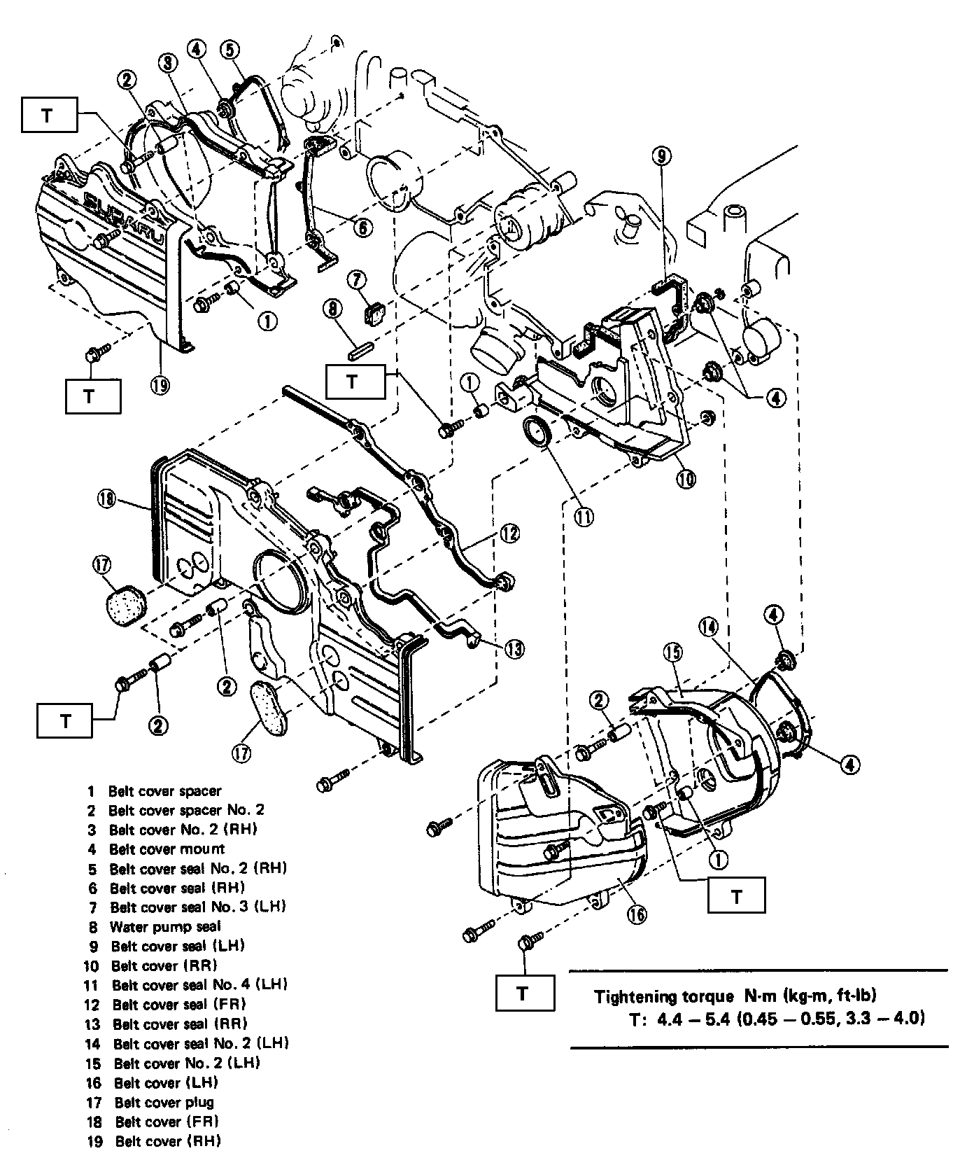
Timing Belt Covers





Oil Pump and Oil Pan





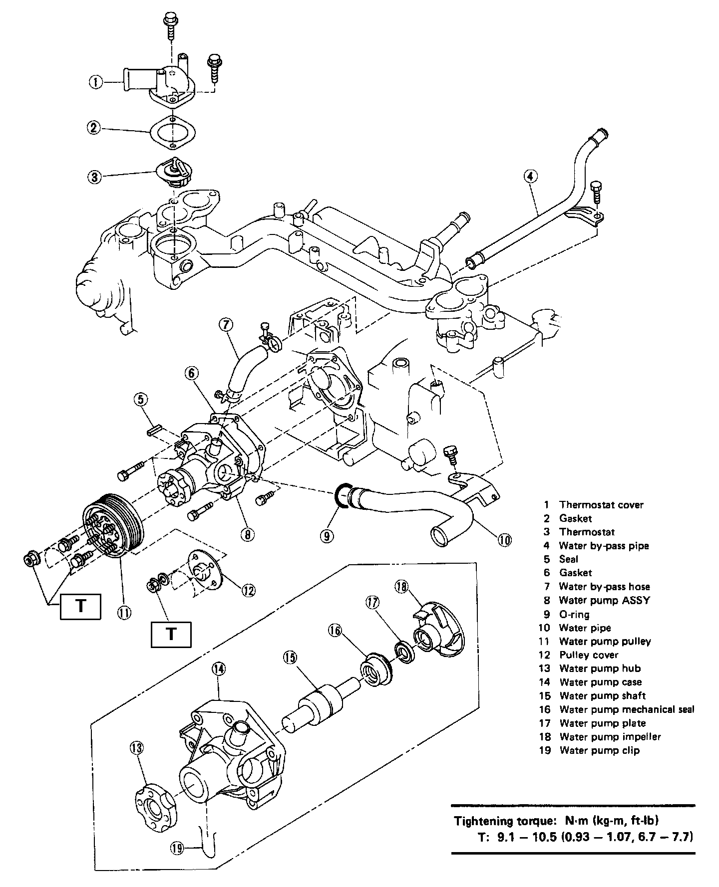
Cooling System





Electrical Components