Curiosii for ever!: Car repair manuals for everyone.

Air Flow Meter/Sensor: Service and Repair

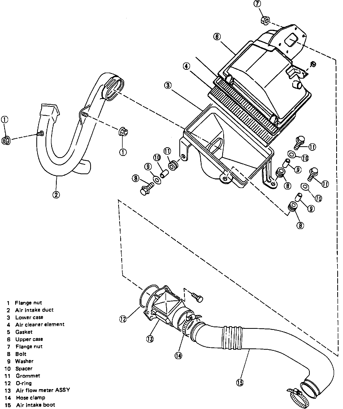
Air Intake System:





1. Remove air intake duct.
2. Disconnect electrical connector from sensor.
3. Remove air cleaner upper cover.
4. Remove sensor from upper air cleaner cover.
5. Install in reverse order.
SENSOR FASTENER TORQUE VALUE:
3.3 - 5.4 ft.lbs. (4.4 - 7.4 Nm)