Curiosii for ever!
: Car repair manuals for everyone.
Home
>>
Subaru
>>
1990
>>
Legacy Sedan 4WD F4-2.2L SOHC
>>
Repair and Diagnosis
>>
Specifications
>>
Mechanical Specifications
>>
Heating and Air Conditioning
>>
System Specifications
>>
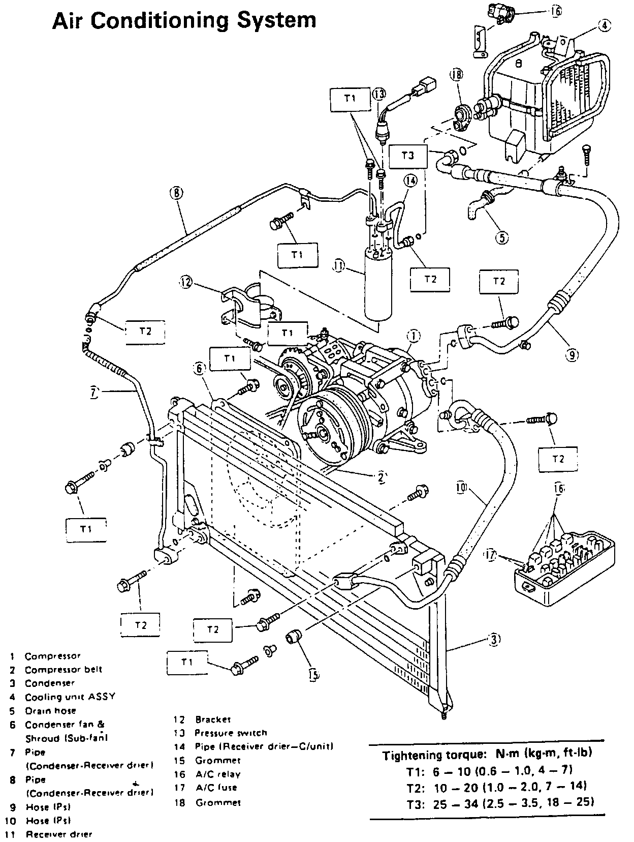
Air Conditioning System
Air Conditioning System