Curiosii for ever!: Car repair manuals for everyone.

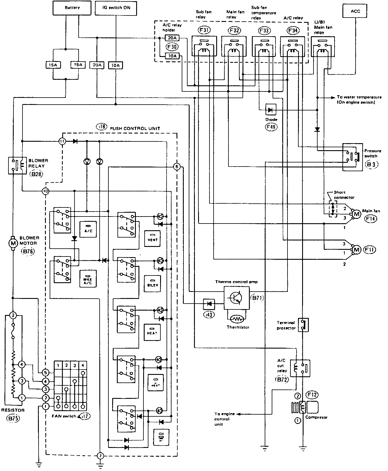
Compressor Control System

Compressor Control System





When the A/C switch and fan switch are turned ON, the A/C relay activates. The compressor and F.I.C.D. are turned on, and then the main and sub fans also operate. Blower relay operates to direct the air flowrate determined by FAN switch position.