Curiosii for ever!
: Car repair manuals for everyone.
Home
>>
Subaru
>>
1988
>>
XT-6 4WD L6-2.7L SOHC
>>
Repair and Diagnosis
>>
Specifications
>>
Mechanical Specifications
>>
Differential Assembly
>>
Differential Torque Data
>>
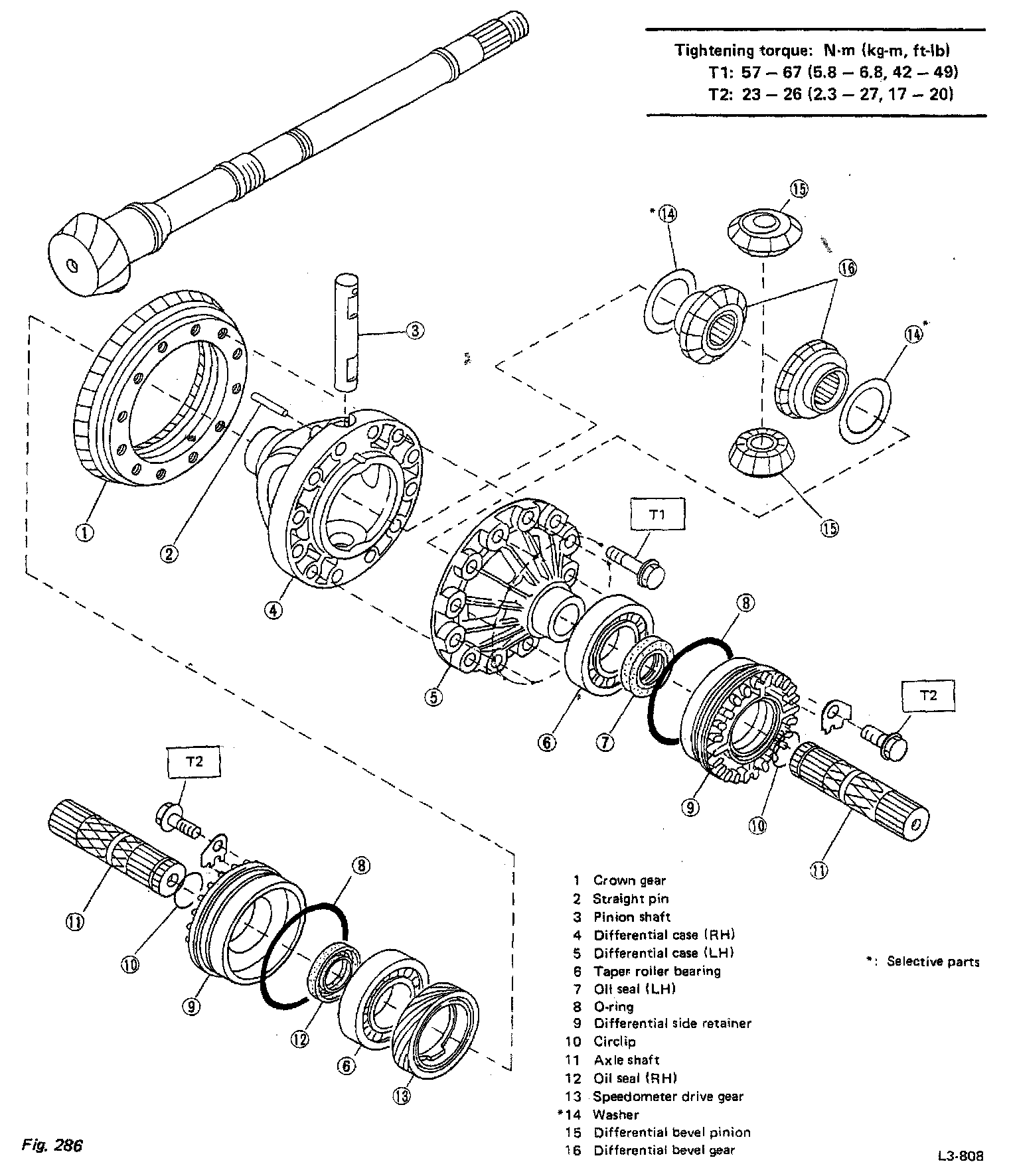
Front Axle
Front Axle
4-spd A/T, Differential Case:
5-spd M/T, Differential:
5-spd M/T, Drive Pinion Shaft (Full-Time 4WD):
5-spd M/T, Drive Pinion Shaft (Selective 4WD & FWD TURBO):