Curiosii for ever!
: Car repair manuals for everyone.
Home
>>
Subaru
>>
1988
>>
XT-6 2WD L6-2.7L SOHC
>>
Repair and Diagnosis
>>
Specifications
>>
Mechanical Specifications
>>
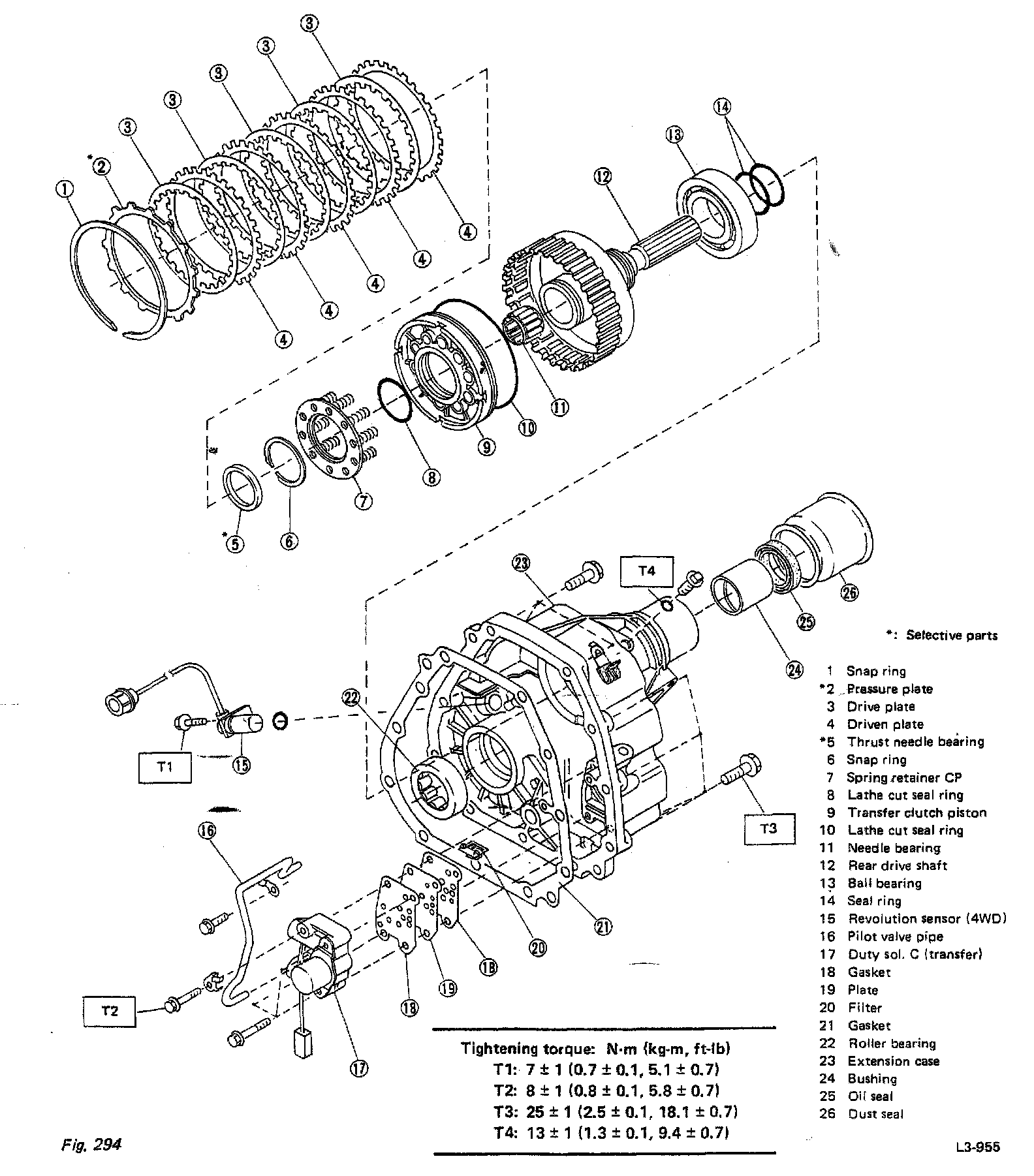
Transfer Case
>>
Transfer Case Torque Data
>>
4WD System
4WD System
4-spd A/T, Transfer & Extension:
5-spd M/T, Transfer Case & Transfer Control System (Full-Time 4WD):
5-spd M/T, Transfer Case & Transfer Control System (Selective 4WD):