Curiosii for ever!: Car repair manuals for everyone.

4-SPD A/T

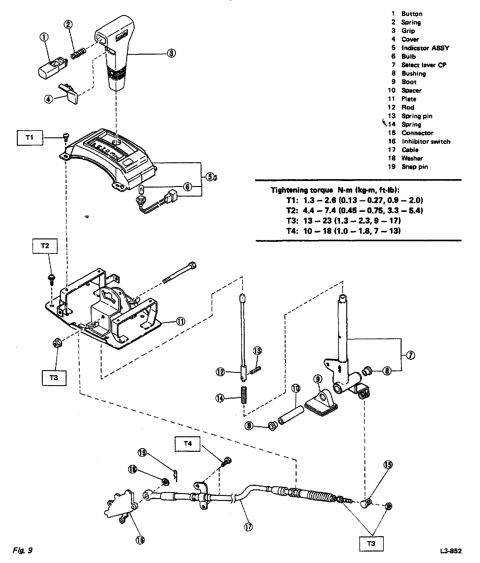
4-spd A/T, Transmission Control System:



4-spd A/T, Transfer & Extension:



4-spd A/T, Transmission Reduction Gear:



4-spd A/T, Forward Clutch And Low & Reverse Brake:



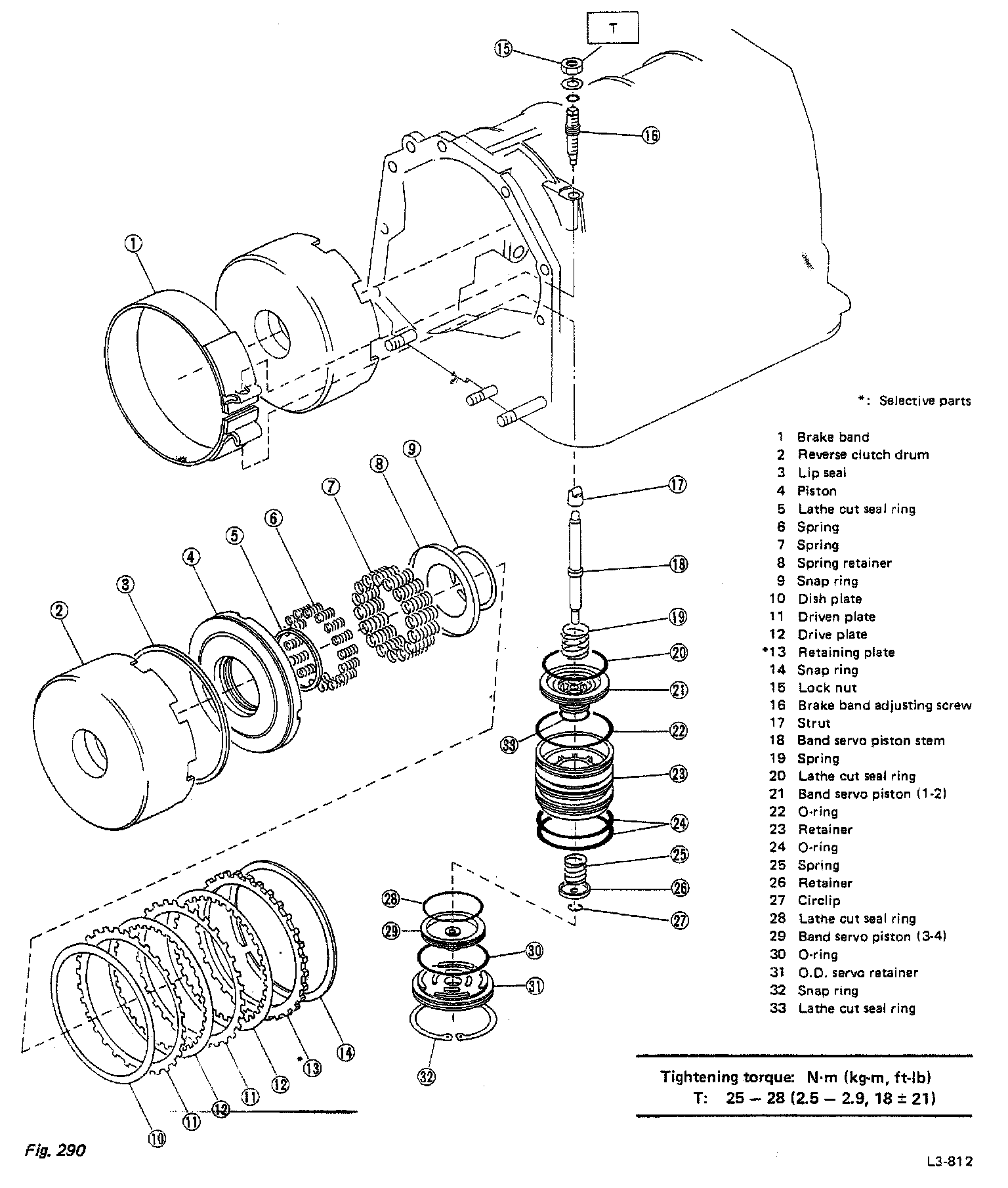
4-spd A/T, Reverse Clutch & Band Brake:



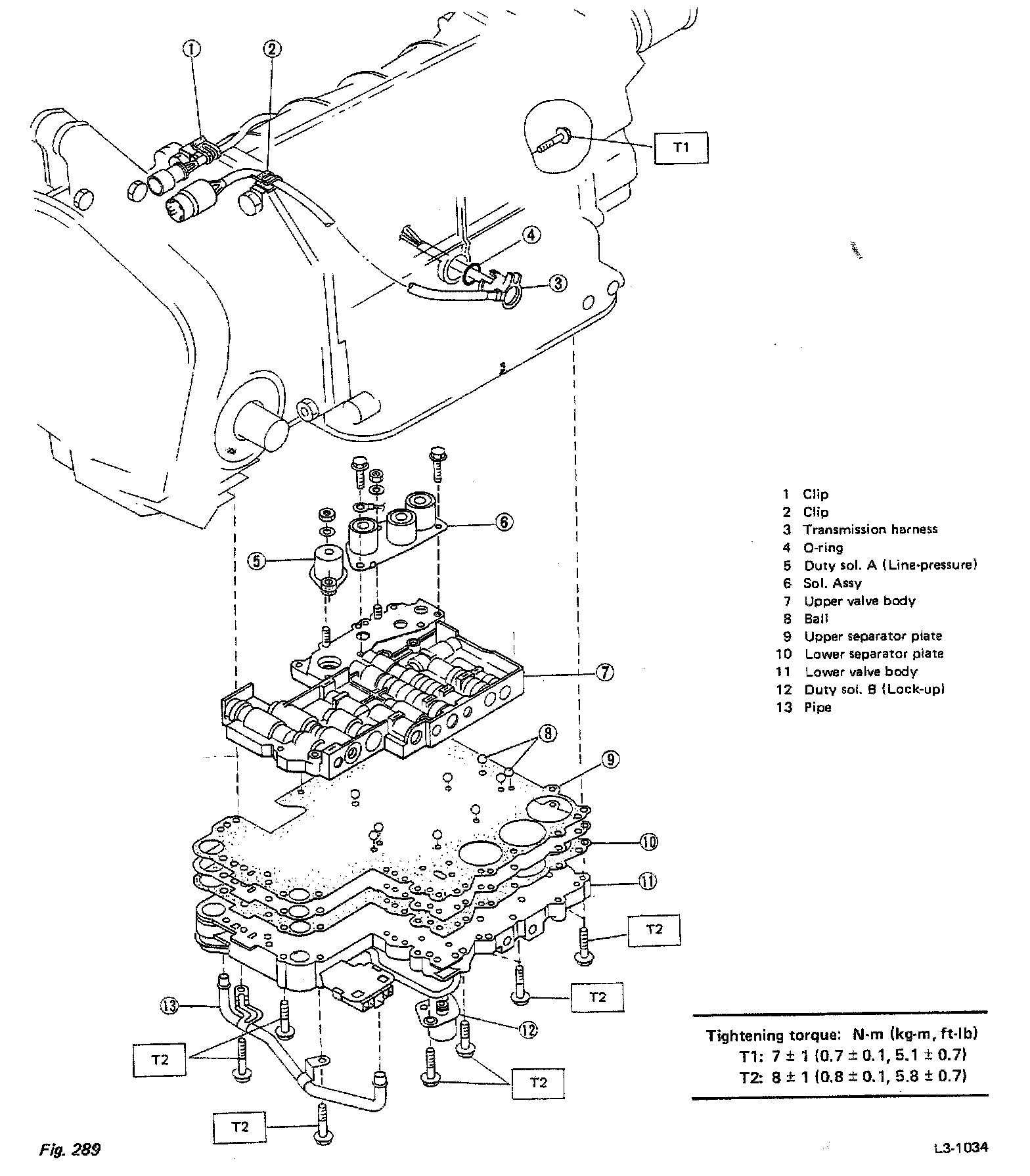
4-spd A/T, Control Valve & Harness Routing:



4-spd A/T, Transmission Case, Transmission Cover & Control Device:



4-spd A/T, Transmission Oil Pump:



4-spd A/T, Torque Converter And Converter Case: