Curiosii for ever!
: Car repair manuals for everyone.
Home
>>
Subaru
>>
1987
>>
XT 2WD F4-1781cc 1.8L SOHC (MPFI)
>>
Repair and Diagnosis
>>
Powertrain Management
>>
Computers and Control Systems
>>
Testing and Inspection
>>
Component Tests and General Diagnostics
>>
Ignition Control System
Ignition Control System
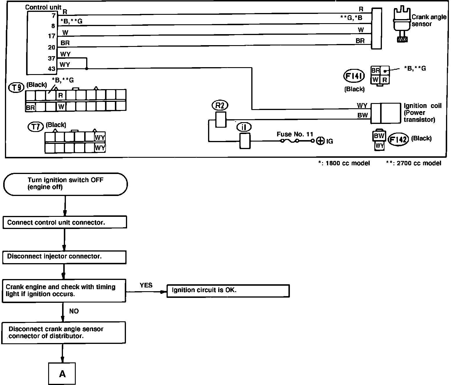
Fig. 26a EGI system troubleshooting chart. Ignition control system:
Fig. 26b EGI system troubleshooting chart. Ignition control system:
Fig. 26c EGI system troubleshooting chart. Ignition control system: