Curiosii for ever!
: Car repair manuals for everyone.
Home
>>
Subaru
>>
1987
>>
XT 2WD F4-1781cc 1.8L SOHC (MPFI)
>>
Repair and Diagnosis
>>
Powertrain Management
>>
Computers and Control Systems
>>
Relays and Modules - Computers and Control Systems
>>
Engine Control Module
>>
Testing and Inspection
Engine Control Module: Testing and Inspection
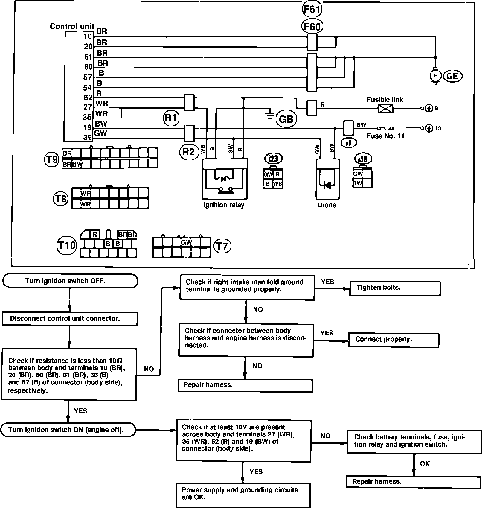
Fig. 25 EGI system troubleshooting chart. Ground & control unit power supply: