Curiosii for ever!
: Car repair manuals for everyone.
Home
>>
Smart
>>
2009
>>
ForTwo Cabrio (451.431) L3-1.0L (132.910)
>>
Repair and Diagnosis
>>
Diagrams
>>
Electrical Diagrams
>>
Cellular Phone
>>
Communications Control Module
Communications Control Module
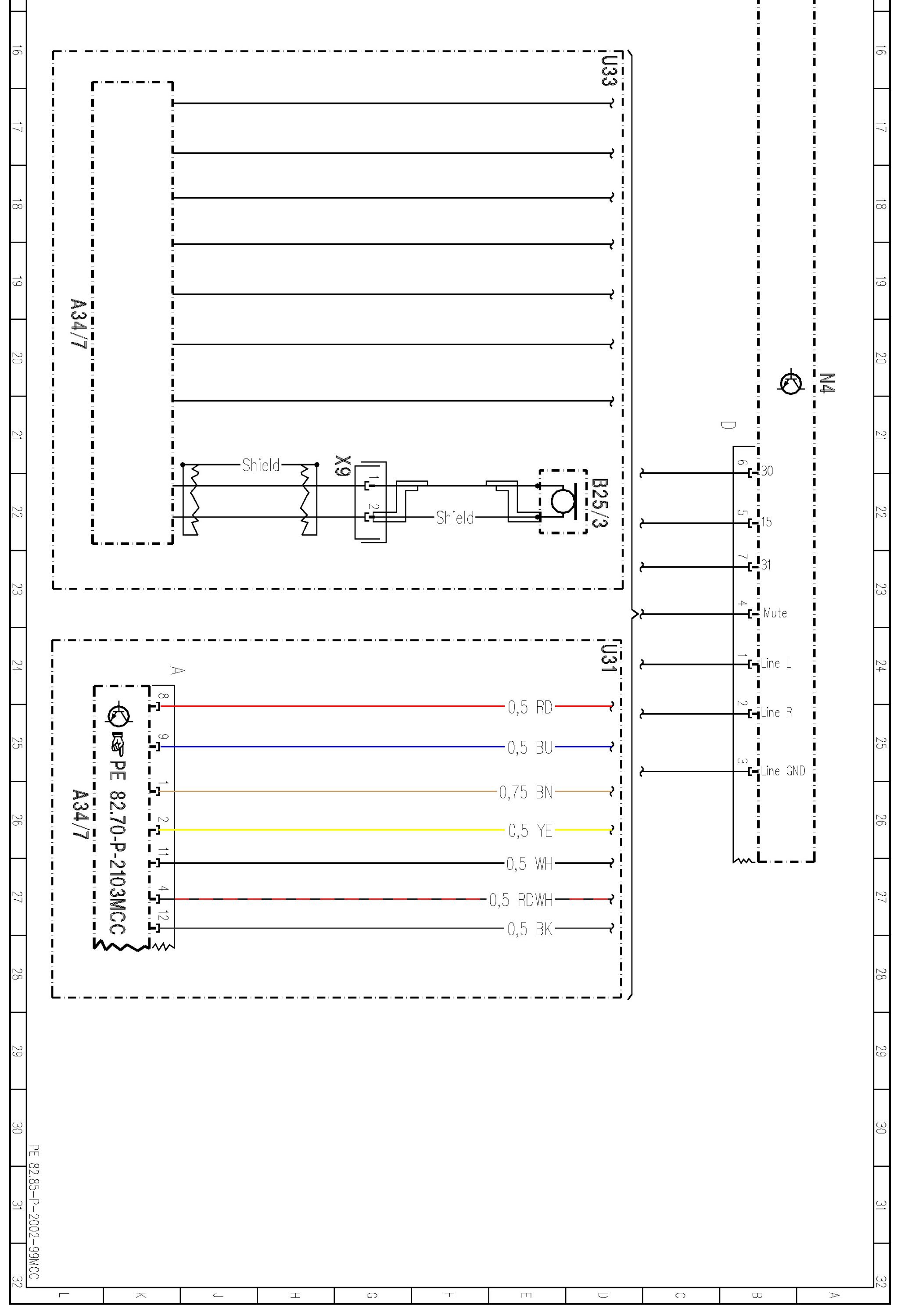
PE82.85-P-2002MCC Communications Interface (KOM)
451 82 Electrical Systems - Body
MODEL 451 to 08/30/10