Curiosii for ever!: Car repair manuals for everyone.

Check CAN Bus Line For Short to +B






NETWORKING: CAN COMMUNICATION SYSTEM: Check CAN Bus Line for Short to +B; 2013 MY FR-S [03/2012 -]
- Check CAN Bus Line for Short to +B

DESCRIPTION

There may be a short circuit between one of the CAN bus lines and +B when no resistance exists between terminals 6 (CANH) and 16 (BAT) or 14 (CANL) and 16 (BAT) of the DLC3.





*: for Automatic Transmission System

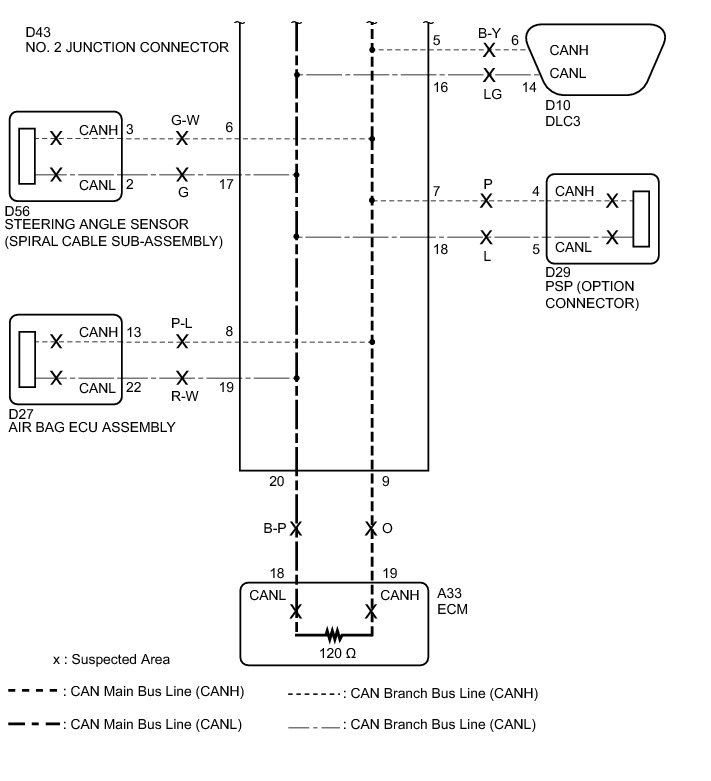
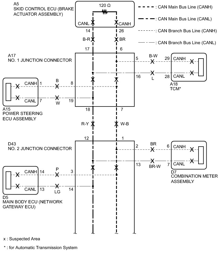
WIRING DIAGRAM









INSPECTION PROCEDURE

NOTICE:
* Before measuring the resistance of the CAN bus, turn the ignition switch off and leave the vehicle for 1 minute or more without operating the key, switches or opening or closing the doors. After that, disconnect the cable from the negative (-) battery terminal and leave the vehicle for 1 minute or more before measuring the resistance.
* After turning the ignition switch off, waiting time may be required before disconnecting the cable from the negative (-) battery terminal. Therefore, make sure to read the disconnecting the cable from the negative (-) battery terminal notices before proceeding with work Service Precautions.
* Because the order of diagnosis is important to allow correct diagnosis, make sure to begin troubleshooting using How to Proceed with Troubleshooting when CAN communication system related DTCs are output How to Proceed With Troubleshooting.
* After performing repairs, perform the DTC check procedure and confirm that the DTCs are not output again.
* DTC check procedure: Turn the ignition switch to ON, wait at least 60 seconds,
* After the repair, perform CAN Bus Check and check that all the ECUs and sensors connected to the CAN communication system are displayed Diagnosis System.

HINT
* Operating the ignition switch, any other switches or a door triggers related ECU and sensor communication on the CAN. This communication will cause the resistance value to change.
* Even after DTCs are cleared, if a DTC is stored again after driving the vehicle for a while, the malfunction may be occurring due to vibration of the vehicle. In such a case, wiggling the ECUs or wire harness while performing the inspection below may help determine the cause of the malfunction.

PROCEDURE

1. CHECK FOR SHORT TO +B IN CAN BUS LINE (CAN NO. 2 J/C)

(a) Disconnect the wire harness connector from the D43 CAN No. 2 junction connector.









(b) Measure the resistance according to the value(s) in the table below.

Standard Resistance:





Result:





B -- CHECK FOR SHORT TO +B IN CAN BUS LINE (CAN NO. 1 J/C)

C -- REPAIR OR REPLACE CAN MAIN BUS LINE OR CONNECTOR (CAN NO. 2 J/C - ECM)

D -- CHECK FOR SHORT TO +B IN CONNECTED COMPONENT (ECU, SENSOR)

E -- REPAIR OR REPLACE CAN BRANCH LINE CONNECTED TO DLC3 OR PSP (OPTION CONNECTOR)

A -- REPLACE CAN NO. 2 JUNCTION CONNECTOR

2. CHECK FOR SHORT TO +B IN CAN BUS LINE (CAN NO. 1 J/C)

(a) Disconnect the wire harness connector from the A17 CAN No. 1 junction connector.









(b) Measure the resistance according to the value(s) in the table below.

Standard Resistance:





Result:





B -- REPAIR OR REPLACE CAN MAIN BUS LINE OR CONNECTOR (CAN NO. 2 J/C - CAN NO. 1 J/C)

C -- REPAIR OR REPLACE CAN MAIN BUS LINE OR CONNECTOR (CAN NO. 1 J/C - SKID CONTROL ECU (BRAKE ACTUATOR ASSEMBLY))

D -- CHECK FOR SHORT TO +B IN CONNECTED COMPONENT (ECU, SENSOR)

A -- REPLACE CAN NO. 1 JUNCTION CONNECTOR

3. CHECK FOR SHORT TO +B IN CONNECTED COMPONENT (ECU, SENSOR)

(a) Reconnect all the wire harness connectors (the A17 CAN No. 1 junction connector and D43 CAN No. 2 junction connector).

(b) Disconnect the ECU or sensor connected to the CAN bus line that is shorted to +B.

HINT
If the ECU or sensor has multiple connectors, disconnect the connector that includes the CAN bus lines. To determine the ECU or sensor that is connected to the shorted bus line, refer to the terminals of ECU tables CAN Communication System.

(c) Measure the resistance according to the value(s) in the table below.









Standard Resistance:





HINT
If the resistance changes to 6 kOhms or higher when the connector is disconnected from the ECU (or sensor), there may be a short in the ECU (or sensor).

NG -- REPAIR OR REPLACE REPAIR OR REPLACE CORRESPONDING ECU/SENSOR WIRE OR CONNECTOR

OK -- REPLACE CORRESPONDING ECU OR SENSOR