Curiosii for ever!: Car repair manuals for everyone.

Cruise Control: Description and Operation







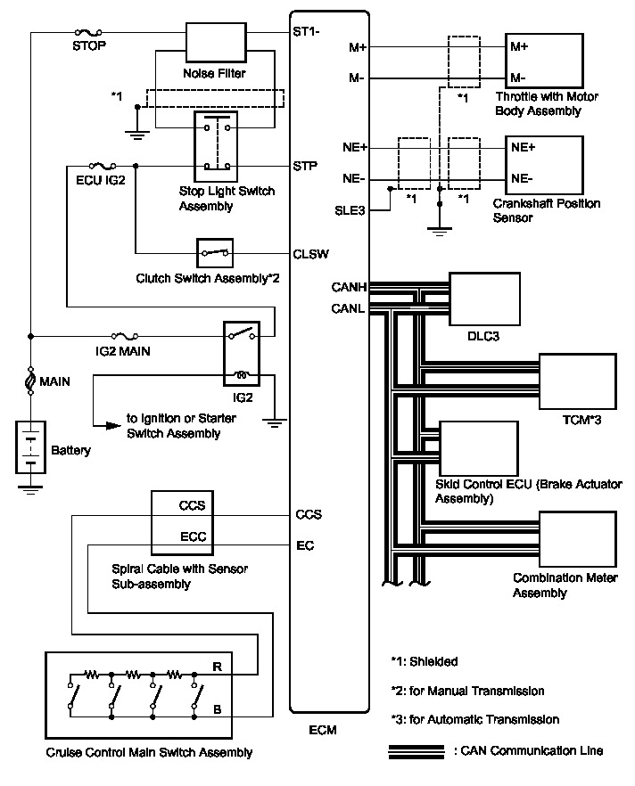
CRUISE CONTROL: CRUISE CONTROL SYSTEM: SYSTEM DIAGRAM; 2013 MY FR-S [03/2012 -]





Communication Table




CRUISE CONTROL: CRUISE CONTROL SYSTEM: SYSTEM DESCRIPTION; 2013 MY FR-S [03/2012 -]

1. CRUISE CONTROL SYSTEM

This system is controlled by the ECM, and control is performed using the throttle with motor body assembly. The ECM controls the following functions: ON-OFF, - (COAST)/SET, + (ACCEL)/RES (RESUME), CANCEL, vehicle speed operation and shift down control.

* The ECM compares the vehicle speed from the speed sensor with the stored vehicle speed set using the cruise control main switch. The ECM instructs the throttle valve motor of the throttle with motor body assembly to close the valve when the vehicle speed is greater than the stored speed, and instructs it to open the valve when the vehicle speed is less than the stored speed.

* The ECM receives signals such as ON-OFF, - (COAST)/SET, + (ACCEL)/RES (RESUME), and CANCEL from the cruise control main switch and executes the command.

* The ECM illuminates the combination meter assembly cruise control indicator light in green when the cruise control system is turned on using the cruise control main switch (ON-OFF button).

* The ECM turns off the cruise control indicator light or illuminates the cruise control indicator light in amber in the the combination meter assembly when a malfunction occurs during cruise control driving.

*










The ECM illuminates the combination meter assembly cruise control SET indicator light when vehicle speed control begins after the cruise control main switch is pushed to -/SET while driving.

2. LIMIT CONTROL

(a) Low speed limit

The lowest possible set speed is approximately 40 km/h (25 mph). The cruise control system cannot be set when the vehicle speed is below the low speed limit. Control of vehicle speed will be automatically canceled but the stored vehicle speed will be retained when the vehicle speed drops below the low speed limit while the cruise control is controlling vehicle speed.

(b) High speed limit

The highest possible set speed is approximately 144 km/h (90 mph). The cruise control system cannot be set when the vehicle speed is over the high speed limit. Also, + (ACCEL)/RES (RESUME) cannot be used to increase the speed beyond the high speed limit.

3. OPERATION OF CRUISE CONTROL

The cruise control main switch is used to turn the cruise control system on and off, as well as operate 7 functions: SET, - (COAST), TAP-DOWN, RES (RESUME), + (ACCEL), TAP-UP, and CANCEL. The SET, TAP-DOWN, and - (COAST) functions, and the RES (RESUME), TAP-UP, and + (ACCEL) functions are operated with the same switch. The cruise control main switch is an automatic return type switch which turns on only while operating it in the direction of each arrow, and turns off after it is released.

(a) SET CONTROL

The vehicle speed is stored and speed control begins when the cruise control main switch is pushed to -/SET while driving with the cruise control system on (while the cruise control indicator light is illuminated in green), and the vehicle speed is within the set speed range (between the low and high speed limits).

(b) - (COAST) CONTROL

When the cruise control system is controlling vehicle speed and the cruise control main switch is pushed to -/SET and held in that position, the cruise control system sends a "required engine torque = 0 Nm" demand signal to the ECM. Following this, the vehicle speed is stored and maintained when the cruise control main switch is released.

(c) TAP-DOWN CONTROL

When the cruise control system is controlling vehicle speed and the cruise control main switch is tapped to the -/SET side (for approximately 0.3 seconds), the stored vehicle speed decreases by approximately 1.6 km/h (1.0 mph) for each time the switch is tapped. When the cruise control main switch is tapped to -/SET and the difference between the current and stored vehicle speed is more than 5.6 km/h (approximately 4 mph), the current vehicle speed is stored and speed control is performed.

(d) ACCELERATION CONTROL

When the cruise control system is controlling vehicle speed and the cruise control main switch is pushed to +/RES and held in that position, the cruise control system sends a signal to the ECM to operate the throttle valve motor of the throttle with motor body assembly to open the throttle valve. Following this, the vehicle speed is stored and maintained when the cruise control main switch is released.

(e) TAP-UP CONTROL

When the cruise control system is controlling vehicle speed and the cruise control main switch is tapped to the +/RES side (for approximately 0.3 seconds), the stored vehicle speed increases by approximately 1.6 km/h (1.0 mph) for each time the switch is tapped. When the cruise control main switch is tapped to +/RES and the difference between the current and stored vehicle speed is more than 5.6 km/h (approximately 4 mph), the stored vehicle speed will not be changed.

(f) RESUME CONTROL

If cruise control system control of vehicle speed was canceled due to any of the manual cancel conditions (other than turning the cruise control system off using the ON-OFF switch), and if the vehicle speed is 32 km/h (20 mph) or more, the stored vehicle speed from the time of cancellation will be resumed and maintained when the cruise control main switch is pushed to +/RES.

(g) SHIFT DOWN CONTROL (for Automatic Transmission)

When the vehicle is cruising uphill or downhill, the transmission may shift down according to ECT control. After the TCM judges that the vehicle can keep driving at the stored vehicle speed, the transmission will shift up. If the transmission shifts down during acceleration or resume control, it will shift up after acceleration or resume control is completed.

(h) MANUAL CANCEL CONTROL

Performing any of the following cancels the cruise control system control of vehicle speed (the stored vehicle speed in the ECM is maintained).

* Depressing the brake pedal.

* Depressing the clutch pedal (for Manual Transmission).

* Moving the shift lever to 1st or Reverse position. (for Manual Transmission)

* Moving the shift lever from D or M to any other position. (for Automatic Transmission)

* Selecting the 1st range with the shift lever in M. (for Automatic Transmission)

* Selecting the 1st range using the shift paddle switch with the shift lever in M (w/ shift paddle switch). (for Automatic Transmission)

* Pulling the cruise control main switch to CANCEL

* Turning the cruise control system off using the cruise control main switch (ON-OFF button) (the stored vehicle speed in the ECM is not maintained)

4. AUTO CANCEL

The ECM cancels the cruise control under the specified conditions. The cause for cancellation can be confirmed by referring to the "CANCEL CODE" Cancel Code.