Curiosii for ever!
: Car repair manuals for everyone.
Home
>>
Scion
>>
2012
>>
iQ L4-1.3L (1NR-FE)
>>
Repair and Diagnosis
>>
Powertrain Management
>>
Transmission Control Systems
>>
Description and Operation
>>
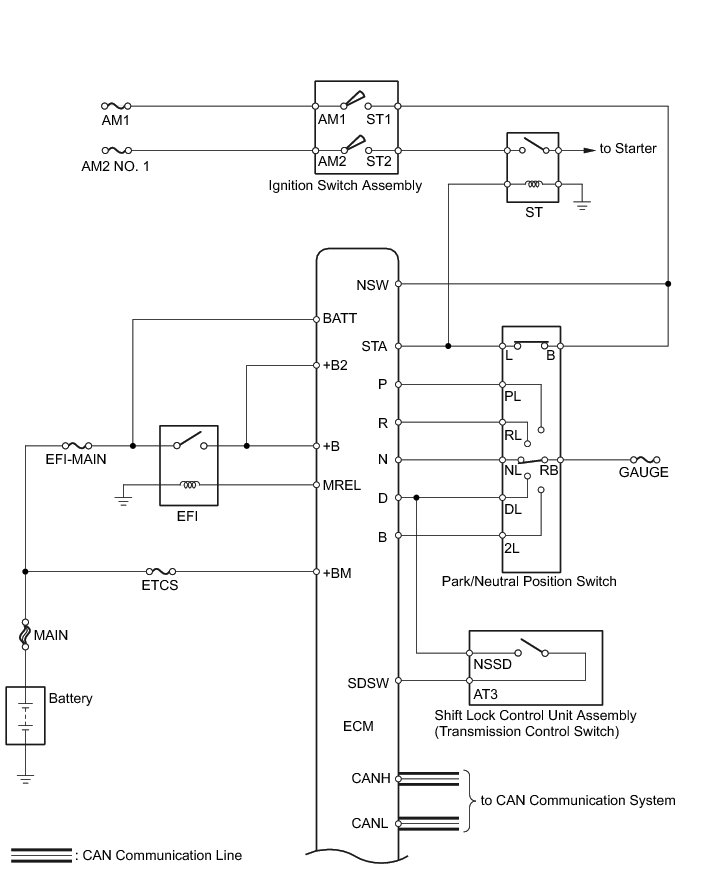
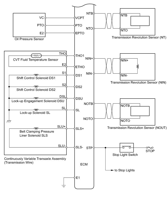
System Diagram
System Diagram
K41B CVT: CONTINUOUSLY VARIABLE TRANSAXLE SYSTEM: SYSTEM DIAGRAM
The configuration of the electronic control system in the K41B continuously variable transaxle is as shown in the following chart.