Curiosii for ever!: Car repair manuals for everyone.

MIL Circuit





1NR-FE ENGINE CONTROL: SFI SYSTEM: MIL Circuit
- MIL Circuit

DESCRIPTION

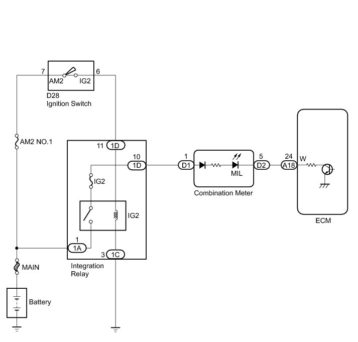
The MIL (Malfunction Indicator Lamp) is used to indicate vehicle malfunctions detected by the ECM. When the ignition switch is turned to ON, power is supplied to the MIL circuit, and the ECM provides the circuit ground which illuminates the MIL.

The MIL operation can be checked visually: When the ignition switch is turned to ON, the MIL should be illuminated and should turn off after engine is started. If the MIL remains illuminated or is not illuminated, conduct the following troubleshooting procedure using the Techstream.

WIRING DIAGRAM





INSPECTION PROCEDURE

NOTICE:
Inspect the fuses for circuits related to this system before performing the following inspection procedure.

PROCEDURE

1. CHECK THAT MIL IS ILLUMINATED

(a) Perform troubleshooting in accordance with the table below.

Result





B -- CHECK THAT MIL IS ILLUMINATED
A -- Continue to next step.

2. CHECK WHETHER MIL TURNS OFF

(a) Connect the Techstream to the DLC3.

(b) Turn the ignition switch to ON.

(c) Turn the Techstream on.

(d) Enter the following menus: Powertrain / Engine and ECT / Trouble Codes.

(e) Check if any DTCs have been detected. Note down any DTCs.

Result





HINT
Check for detected DTCs output from other ECUs which relate to the MIL.

B -- REPAIR CIRCUITS INDICATED BY OUTPUT DTCS
A -- Continue to next step.

3. CHECK HARNESS AND CONNECTOR (CHECK FOR SHORT IN WIRE HARNESS)





(a) Disconnect the ECM connector.

(b) Turn the ignition switch to ON.

(c) Check that the MIL is not illuminated.

OK:

MIL is not illuminated.

Text in Illustration





NG -- CHECK HARNESS AND CONNECTOR (COMBINATION METER - ECM)

OK -- REPLACE ECM Removal

4. CHECK HARNESS AND CONNECTOR (COMBINATION METER - ECM)

(a) Disconnect the combination meter connector.

(b) Disconnect the ECM connector.

(c) Measure the resistance according to the value(s) in the table below.

Standard Resistance:





NG -- REPAIR OR REPLACE HARNESS OR CONNECTOR

OK -- INSPECT COMBINATION METER Meter / Gauge System

5. CHECK THAT MIL IS ILLUMINATED

(a) Check if the MIL is illuminated when the ignition switch is turned to ON.

OK:

MIL should be illuminated.

NG -- CHECK THAT ENGINE STARTS

OK -- CHECK FOR INTERMITTENT PROBLEMS Check for Intermittent Problems

6. CHECK THAT ENGINE STARTS

(a) Turn the ignition switch to ON.

(b) Start the engine.

Result





HINT
*: The Techstream cannot communicate with the ECM.

B -- GO TO VC OUTPUT CIRCUIT VC Output Circuit
A -- Continue to next step.

7. CHECK HARNESS AND CONNECTOR (COMBINATION METER - ECM)

(a) Disconnect the combination meter connector.

(b) Disconnect the ECM connector.

(c) Measure the resistance according to the value(s) in the table below.

Standard Resistance:





NG -- REPAIR OR REPLACE HARNESS OR CONNECTOR

OK -- INSPECT COMBINATION METER Entire Combination Meter does not Operate