Curiosii for ever!
: Car repair manuals for everyone.
Home
>>
Scion
>>
2012
>>
iQ L4-1.3L (1NR-FE)
>>
Repair and Diagnosis
>>
Powertrain Management
>>
Computers and Control Systems
>>
Description and Operation
Computers and Control Systems: Description and Operation
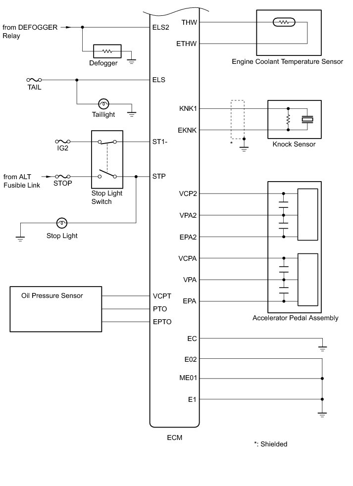
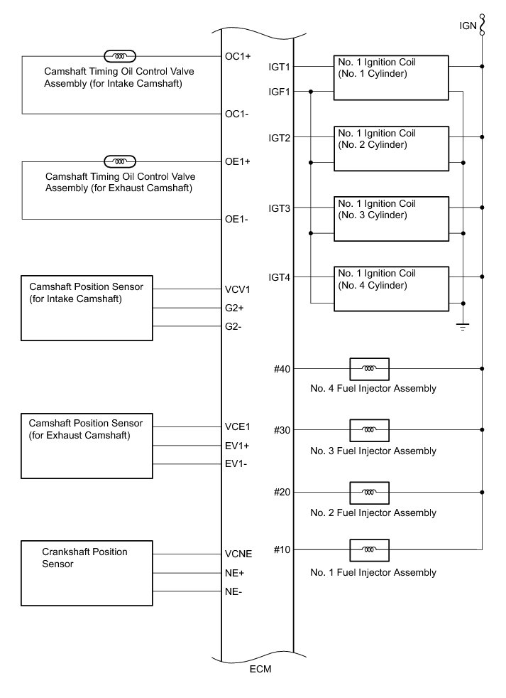
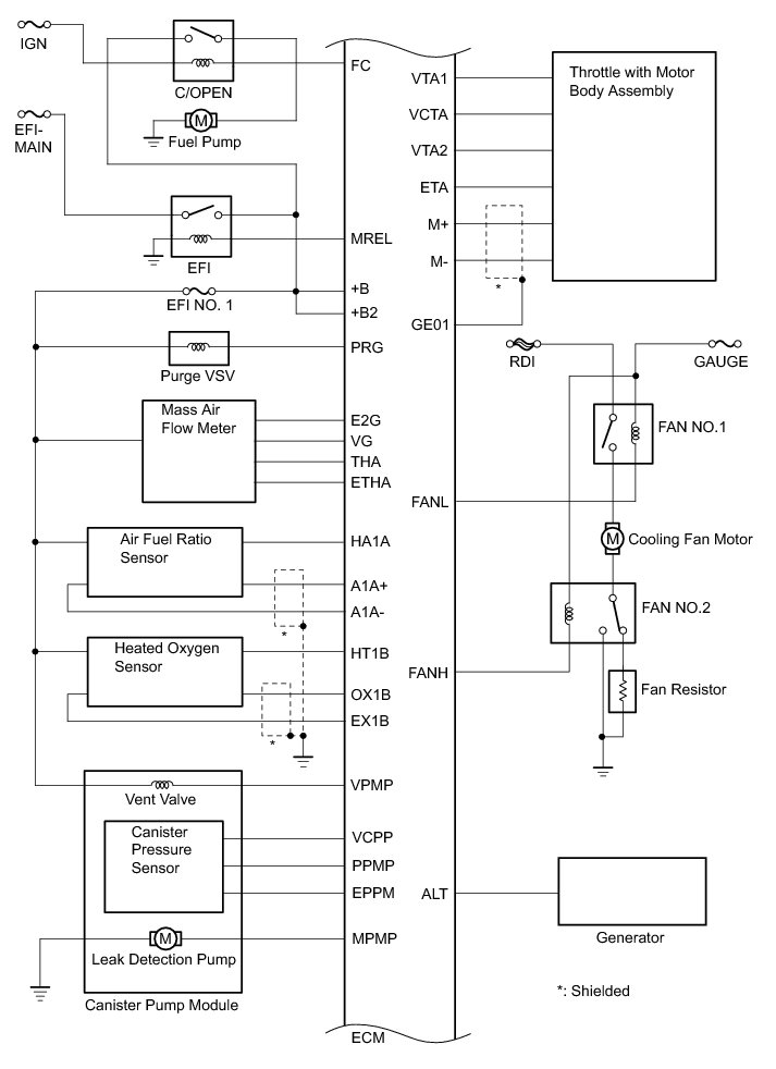
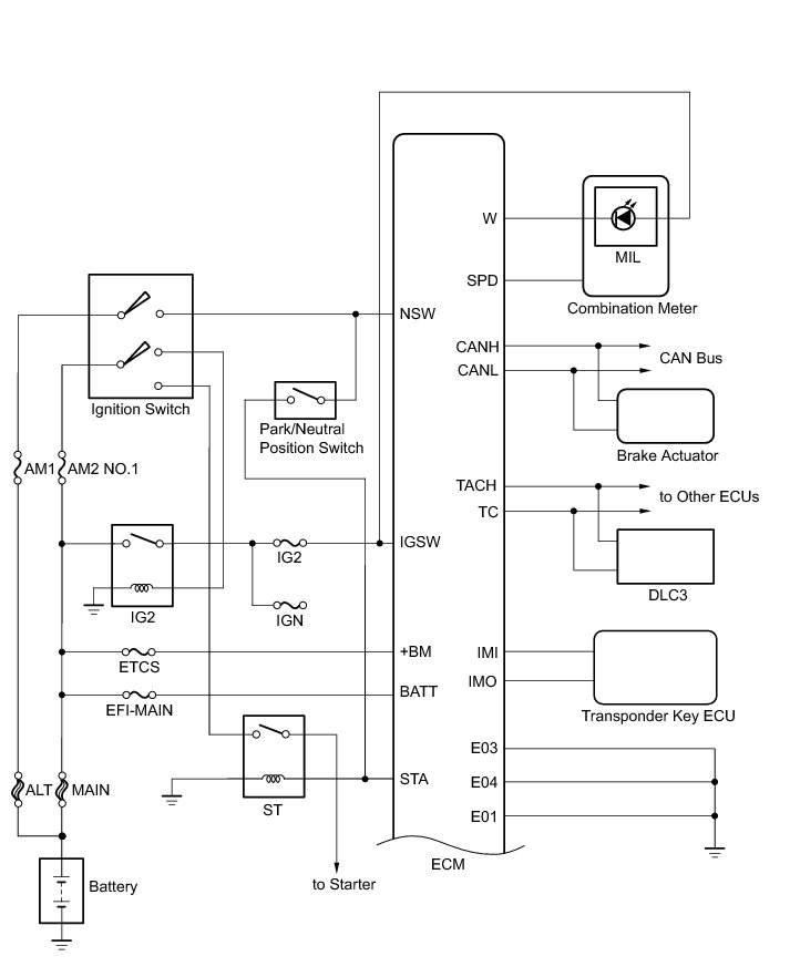
1NR-FE ENGINE CONTROL: SFI SYSTEM: SYSTEM DIAGRAM