Curiosii for ever!
: Car repair manuals for everyone.
Home
>>
Scion
>>
2011
>>
xD L4-1.8L (2ZR-FE)
>>
Repair and Diagnosis
>>
Powertrain Management
>>
Emission Control Systems
>>
Description and Operation
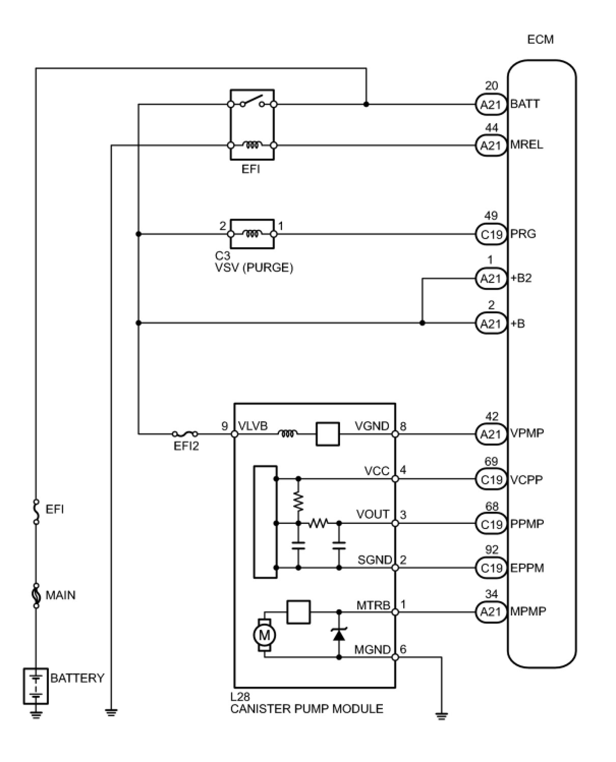
Emission Control Systems: Description and Operation
2ZR-FE EMISSION CONTROL: EMISSION CONTROL SYSTEM: SYSTEM DIAGRAM