Curiosii for ever!: Car repair manuals for everyone.

Electrical Diagrams

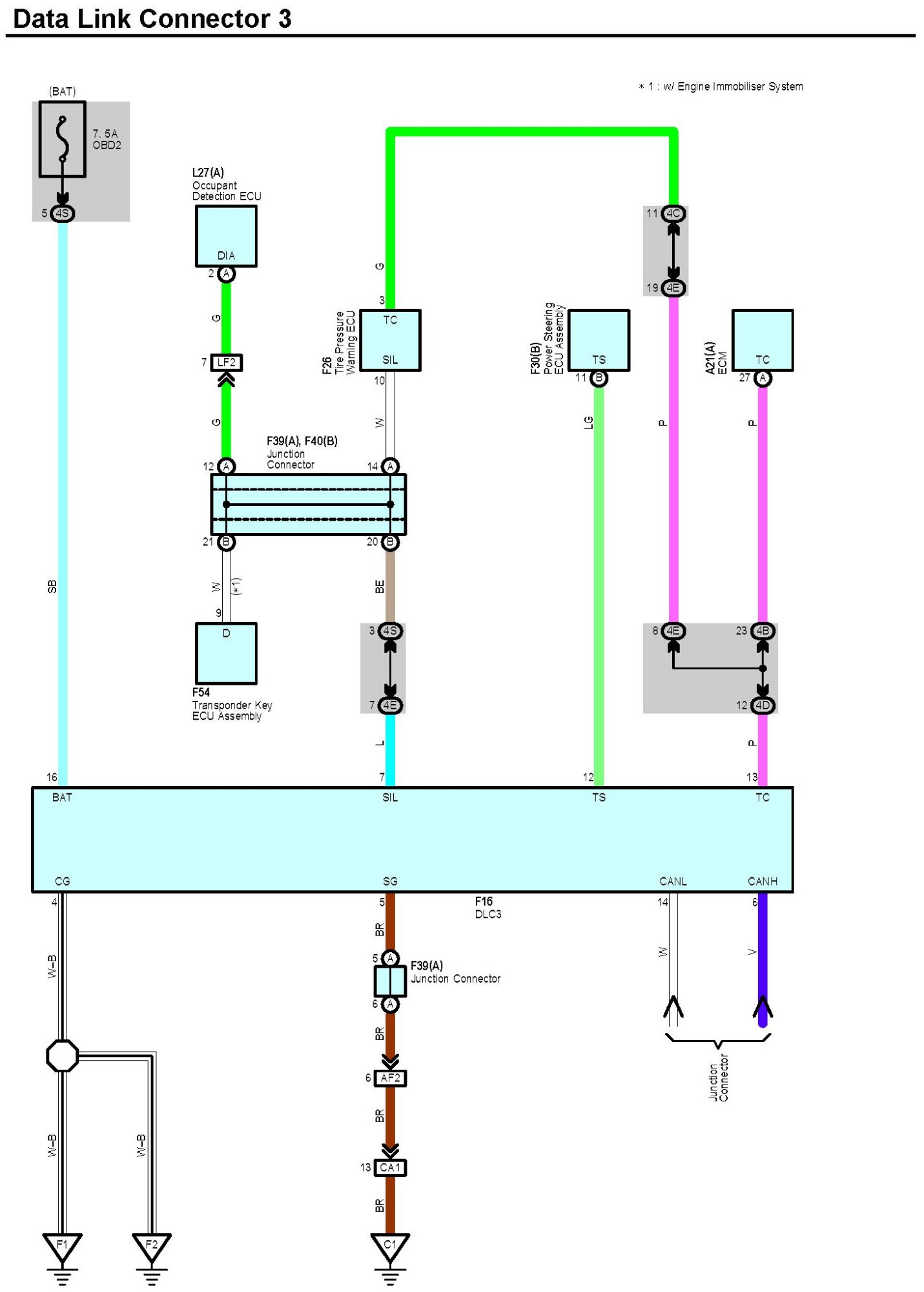
Data Link Connector 3:









Locations: The locations of components, connectors, ground points, and splices referred to within these diagrams can be found at Vehicle Locations. Locations

Connector Views: Diagrams of the connectors referred to within these diagrams can be found at Connector Views by Connector Number. Connector Views By Connector Number