Curiosii for ever!
: Car repair manuals for everyone.
Home
>>
Scion
>>
2011
>>
xB L4-2.4L (2AZ-FE)
>>
Repair and Diagnosis
>>
Powertrain Management
>>
Ignition System
>>
Spark Plug
>>
Service and Repair
>>
Components
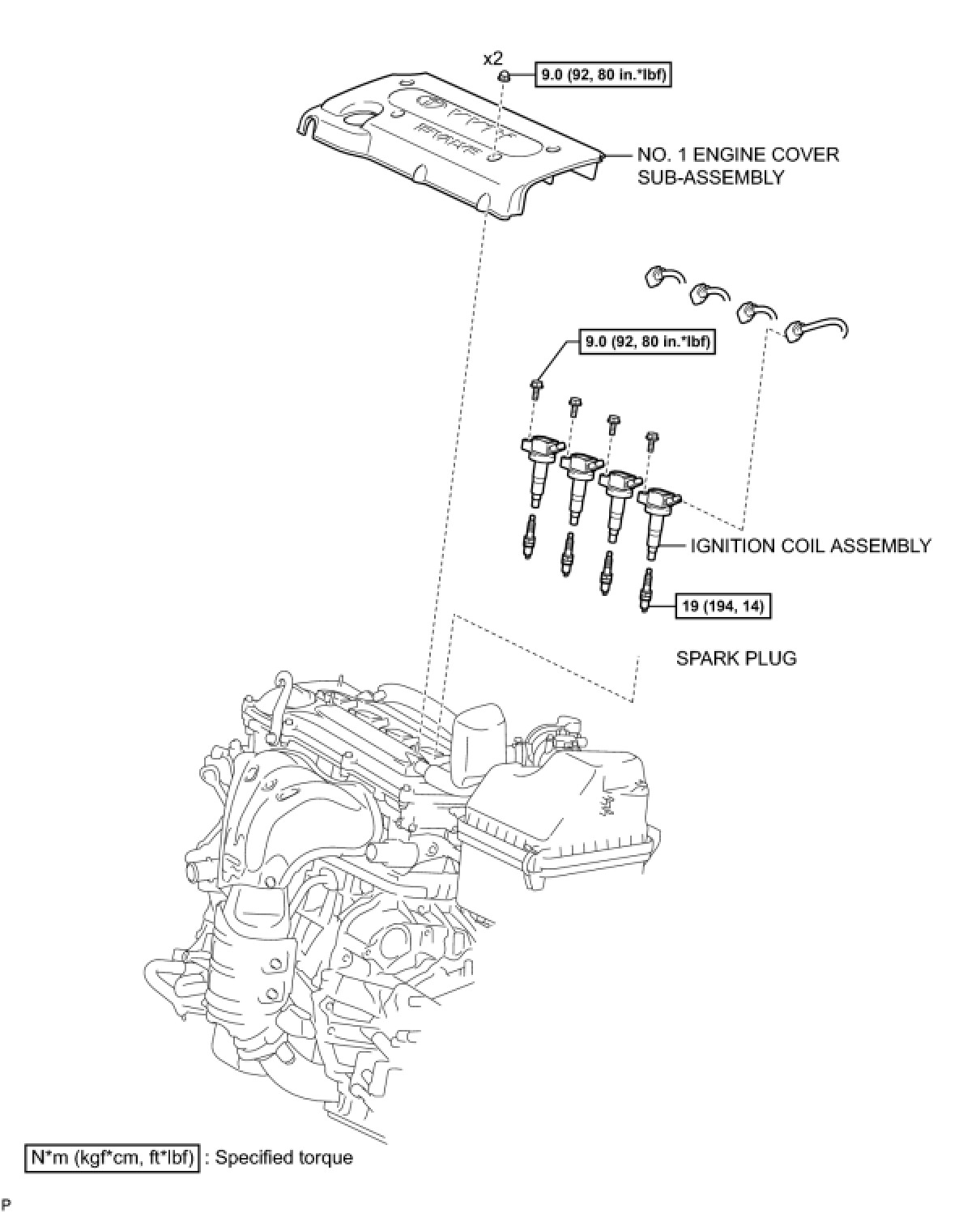
Components
2AZ-FE IGNITION: IGNITION COIL AND
SPARK PLUG
: COMPONENTS