Curiosii for ever!
: Car repair manuals for everyone.
Home
>>
Scion
>>
2011
>>
xB L4-2.4L (2AZ-FE)
>>
Repair and Diagnosis
>>
Powertrain Management
>>
Computers and Control Systems
>>
Description and Operation
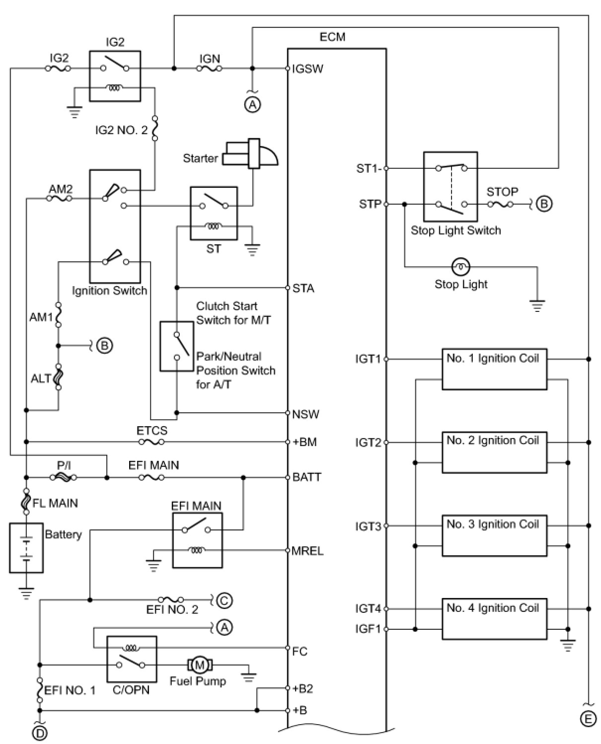
Computers and Control Systems: Description and Operation
2AZ-FE ENGINE CONTROL SYSTEM: SFI SYSTEM: SYSTEM DIAGRAM