Curiosii for ever!: Car repair manuals for everyone.

Transmission Control Systems: Description and Operation






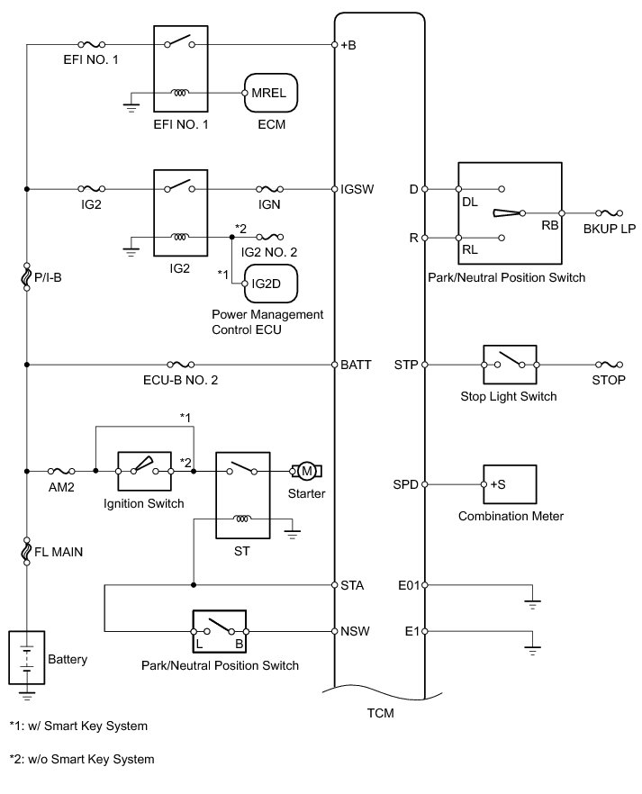
U760E AUTOMATIC TRANSMISSION / TRANSAXLE: AUTOMATIC TRANSAXLE SYSTEM: SYSTEM DIAGRAM

The configuration of the electronic control system for the U760E automatic transaxle is as shown in the following chart.














SYSTEM DESCRIPTION

1. SYSTEM DESCRIPTION

(a) The Electronic Controlled Automatic Transaxle (ECT) is an automatic transaxle that has its shift timing electronically controlled by the Transmission Control Module (TCM). The TCM detects electrical signals that indicate engine and driving conditions, and controls the shift point, based on driver habits and road conditions. As a result, fuel efficiency and transaxle performance are improved.

Shift shock has been reduced by controlling the engine and transaxle simultaneously.

In addition, the ECT has features such as:

* A diagnostic function.

* A fail-safe function for use when a malfunction occurs.